Запчасти Hyundai R200W7A PAGE 1020 AIR INTAKE SYSTEM СИСТЕМА ДВИГАТЕЛЯ

Схема запчастей Hyundai R200W7A - PAGE 1020 AIR INTAKE SYSTEM СИСТЕМА ДВИГАТЕЛЯ
FIT
1:1
100%

Артикул

Название

Примечание

Количество

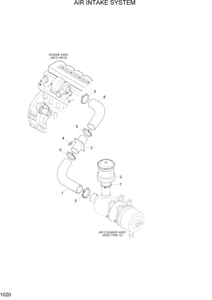
1

11N6-23040

HOSE-AIR INTAKE

1шт.

2

11N6-23520

PIPE-AIR INTAKE

1шт.

3

11N6-23061

PRECLEANER

1шт.

4

S037-122556

BOLT-W/WASHER

4шт.

5

11LB-40310

CLAMP-T/BOLT

4шт.

6

11N6-23310

HOSE-AIR INTAKE

1шт.

7

11LB-40180

CLAMP-HOSE

1шт.

Выбрано товаров: 0