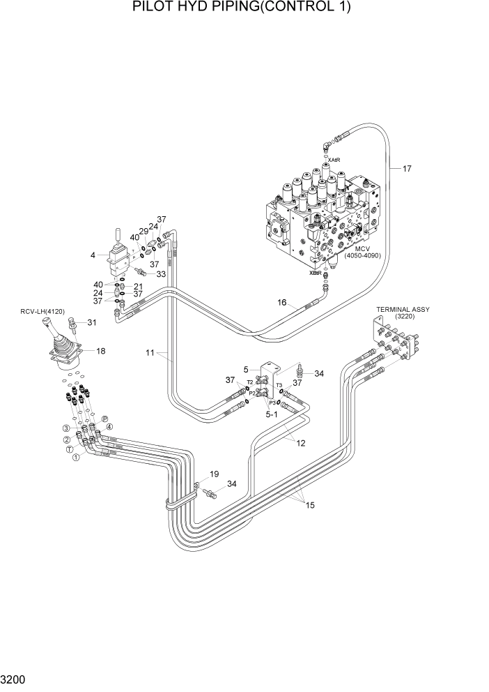
Запчасти Hyundai R200W7A PAGE 3200 PILOT HYD PIPING(CONTROL 1) ГИДРАВЛИЧЕСКАЯ СИСТЕМА

Схема запчастей Hyundai R200W7A - PAGE 3200 PILOT HYD PIPING(CONTROL 1) ГИДРАВЛИЧЕСКАЯ СИСТЕМА
FIT
1:1
100%

Артикул

Название

Примечание

Количество

4

31N4-20080

LEVER-DOZER

1шт.

5

31N6-25100

CROSS ASSY

1шт.

5-1

31N6-25040

CROSS-BULKHEAD TYPE

2шт.

11

X410-042024

HOSE ASSY-SYNFLEX,ORFS

2шт.

12

X410-042026

HOSE ASSY-SYNFLEX,ORFS

2шт.

15

X410-042038

HOSE ASSY-SYNFLEX,ORFS

4шт.

16

X420-042056

HOSE ASSY-SYNFLEX,ORFS

1шт.

17

X420-042066

HOSE ASSY-SYNFLEX,ORFS

1шт.

18

31M6-51061

SHIM(3.2T)

1шт.

19

31E7-0309

CLAMP-HOSE

1шт.

21

X500-110001

CONNECTOR-ORFS

1шт.

24

X511-104513

CONNECTOR-ORFS

2шт.

29

31N6-25060

FILTER-LAST GUARD

1шт.

31

S035-063046

BOLT-W/WASHER

4шт.

33

S035-083526

BOLT-W/WASHER

2шт.

34

S037-102526

BOLT-W/WASHER

3шт.

37

S621-011001

O-RING

6шт.

40

S631-011004

O-RING

4шт.

Выбрано товаров: 18