Запчасти Hyundai R95W3 PAGE 1020 FUEL SYSTEM ДВИГАТЕЛЬ

Схема запчастей Hyundai R95W3 - PAGE 1020 FUEL SYSTEM ДВИГАТЕЛЬ
FIT
1:1
100%

Артикул

Название

Примечание

Количество

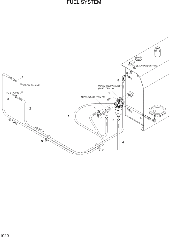
1

11EE-51011

HOSE ASSY-SUCTION

1шт.

2

11EE-51020

HOSE ASSY-SUPPLY

1шт.

3

11EE-52010

HOSE ASSY-RETURN

1шт.

4

11EE-51030

HOSE

1шт.

5

S520-015000

CLAMP

6шт.

6

S551-035146

TIE-WIRE

2шт.

7

S035-082522

BOLT-W/WASHER

2шт.

Выбрано товаров: 7