Запчасти Hyundai R95W3 PAGE 8020 DECALS ДРУГИЕ ЧАСТИ

Схема запчастей Hyundai R95W3 - PAGE 8020 DECALS ДРУГИЕ ЧАСТИ
FIT
1:1
100%

Артикул

Название

Примечание

Количество

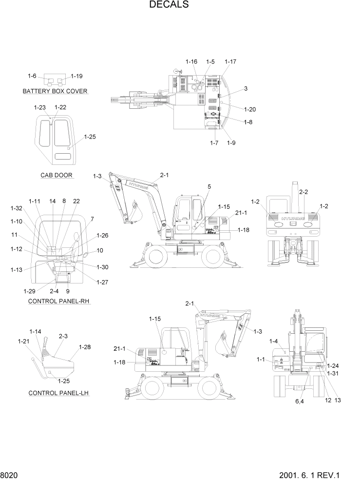
1

91EE-00202

DECAL KIT(A)

#0001

1шт.

1-1

91EK-24020

TRANSPORTING

1шт.

1-2

91E1-24042

KEEP CLEAR

2шт.

1-3

91E1-24610

SAFETY TRAVEL

2шт.

1-4

91EK-25021

HYD OIL LEVEL

1шт.

1-5

91E1-25020

HYD OIL LUB

1шт.

1-6

91E1-26010

ELECTROLYTE

1шт.

1-7

91E1-26020

AIR CLEANER

1шт.

1-8

91E1-26030

RADIATOR CAP

1шт.

1-9

91E1-26040

ANTIFREEZE

1шт.

1-1

91E1-28020

AIR VENT

1шт.

1-11

91EK-28030

INTERFERENCE

1шт.

1-12

91E1-28051

SAFETY INSTRUCTION

1шт.

1-13

91EK-28080

MAX HEIGHT REACH

1шт.

1-14

91E1-29060

SAFETY IDEOGRAM

1шт.

1-15

91E1-24051

SIDE KEEP CLEAR

2шт.

1-16

91E1-25511

FUELING

1шт.

1-17

91E1-26051

DECAL-EXHAUST

1шт.

1-18

91E1-26060

STAY-FIX

2шт.

1-19

91E1-26070

BATTERY-DECAL

1шт.

1-2

91E1-26090

MARK-HOOD

1шт.

1-21

91M5-00190

PLATE-OPERATING

1шт.

1-22

91E1-28220

LOGO-FIRE

1шт.

1-23

91E1-28230

LOGO-HAMMER

1шт.

1-24

91E1-28280

SAFE-FRONT WINDOW

1шт.

1-25

91E1-28310

LATCH-DECAL

2шт.

1-26

91E1-28070

SWING LOCK

1шт.

1-27

91E1-28090

PACKING

1шт.

1-28

91E1-28290

SERVICE SOCKET

1шт.

1-29

91E1-29070

SWING IDEOGRAM

1шт.

1-3

91E1-28170

INTERFERENCE

1шт.

1-31

91EE-11210

SAFETY-RAM LOCK

2 PIECE BOOM #0001

1шт.

1-32

91EE-11220

SAFETY-SIDE WINDOW

2 PIECE BOOM #0001

1шт.

2

91EE-00210

DECAL KIT(B)

1шт.

2-1

91E1-21030

TRADE MARK BOOM/CWT

2шт.

2-2

91E1-21060

TRADE MARK-BOOM/CWT

1шт.

2-3

91EE-29040

CONTROL IDEOGRAM-LH

1шт.

2-4

91EE-29050

CONTROL IDEOGRAM-RH

1шт.

3

91E1-26300

STEP TREAD

2шт.

4

91EK-12010

RIVET

4шт.

5

91E1-27110

LOW EMISSION ENG

1шт.

6

91E1-14110

NAME PLATE

1шт.

7

91EE-26030

SERVICE INSTRUCTION

STD

1шт.

7

91EE-26040

SERVICE INSTRUCTION

4OUT,2PCS BM

1шт.

7

91EE-26050

SERVICE INSTRUCTION

D/BLD,3.0 BM

1шт.

7

91EE-26060

SERVICE INSTRUCTION

4OUT,3.0 BM

1шт.

8

91EE-29020

CONTROL IDEOGRAM

3.0M BOOM

1шт.

8

91EE-29030

CONTROL IDEOGRAM

2 PIECE BOOM

1шт.

9

91EA-15030

CONTROL IDEOGRAM-D

DOZER BLADE

1шт.

9

95EA-29050

CONTROL IDEOGRAM

4 OUTRIGGER

1шт.

10

91E3-12060

ITERFERENCE

Q/COUPLER

1шт.

11

91E3-12040

CLAMP LOCKING

Q/COUPLER

1шт.

12

91E1-23130

NOISE LEVEL-LPA

EUROPE

1шт.

13

91E1-23610

NOISE LEVEL-LWA

EUROPE

1шт.

14

91EE-29060

CONTROL IDEOGRAM

2 PIECE BOOM #0001

1шт.

21

91EE-11201

DECAL-TRADE MARK ASSY

1шт.

21-1

91EE-22030

MODEL NAME

2шт.

22

91EE-28300

LIFTING CHART

STD #0046

1шт.

22

91EE-28301

LIFTING CHART

STD #0047

1шт.

22-1

91EE-28330

LIFTING CHART

3.0BM, 1.6AM #0046

1шт.

22-1

91EE-28331

LIFTING CHART

3.0BM, 1.6AM #0047

1шт.

22-2

91EE-28340

LIFTING CHART

2 PCS, 1.6AM #0046

1шт.

22-2

91EE-28341

LIFTING CHART

2 PCS, 1.6AM #0047

1шт.

22

91EE-28400

LIFTING CHART

4 OUTRIGGER

1шт.

22-1

91EE-28430

LIFTING CHART

3.0BM, 1.6AM

1шт.

22-2

91EE-28440

LIFTING CHART

2 PCS, 1.6AM

1шт.

Выбрано товаров: 66