Запчасти Hyundai R95W3 PAGE 9160 FUEL SYSTEM 1 ДВИГАТЕЛЬ БАЗА

Схема запчастей Hyundai R95W3 - PAGE 9160 FUEL SYSTEM 1 ДВИГАТЕЛЬ БАЗА
FIT
1:1
100%

Артикул

Название

Примечание

Количество

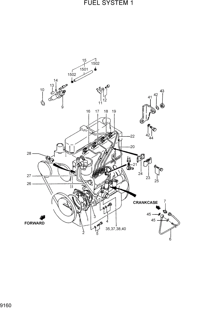
1

32A61-01301

FLANGE-INJ PUMP

1шт.

2

6016-1314

O-RING

1шт.

3

6016-13075

O-RING-INJ PUMP

1шт.

4

F2015-10035

BOLT-W/WASHER

4шт.

5

F1805-08020

BOLT-W/WASHER

1шт.

6

32A36-30100

PIPE-OIL

1шт.

7

F4440-06300

CONNECTOR

1шт.

9

32A61-07010

NOZZLE ASSY

4шт.

10

MM432045

GASKET-NOZZLE

4шт.

11

MM437-13701

SUPPORT-NOZZLE

4шт.

12

F1805-08030

BOLT-W/WASHER

4шт.

13

ME016571

CAP

1шт.

14

MS660163

CLIP HOSE D=11.6

1шт.

15

MM436810

HOSE ASSY-FUEL

3шт.

N1501

@

HOSE-FUEL

NOT

3шт.

N1502

MS660163

CLIP HOSE D=11.6

NOT

6шт.

16

32A61-05101

PIPE-INJ NO.1

1шт.

17

32A61-05201

PIPE-INJ NO.2

1шт.

18

32A61-05301

PIPE-INJ NO.3

1шт.

19

32A61-05401

PIPE-INJ NO.4

1шт.

20

32A61-05600

PIPE-FUEL RETURN

1шт.

21

36761-011

JOINT-EYE

1шт.

22

MM402901

HOSE ASSY-FUEL

1шт.

23

MM430703

CLAMP

3шт.

24

MM430614

CLAMP

3шт.

25

F1805-06025

BOLT-W/WASHER

3шт.

26

ME910-12501

PIPE

1шт.

27

32A61-04700

PIPE

1шт.

28

32A61-03901

CLAMP

1шт.

35

32A65-14040

PUMP ASSY

STD, W/O SOL

1шт.

37

32A65-16520

PUMP ASSY

24V

1шт.

38

32A65-14520

PUMP ASSY

STD, W/O SOL

1шт.

40

32A65-16020

PUMP ASSY

24V

1шт.

41

32A61-00900

BRAKET-INJ PUMP

1шт.

42

F2515-08000

WASHER-SPRING

2шт.

43

F2300-08000

NUT

1шт.

44

F1035-08020

BOLT

1шт.

45

5946-01001

WASHER-SEALING

2шт.

Выбрано товаров: 38