Запчасти Hyundai R95W3 PAGE 9290 BALANCER ДВИГАТЕЛЬ БАЗА

Схема запчастей Hyundai R95W3 - PAGE 9290 BALANCER ДВИГАТЕЛЬ БАЗА
FIT
1:1
100%

Артикул

Название

Примечание

Количество

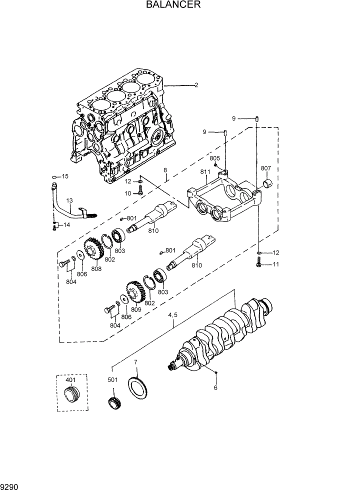
2

32A07-04020

CRANKCASE ASSY

1шт.

4

32A20-10031

CRANKSHAFT ASSY

1шт.

401

32A20-00200

CRANKSHAFT ASSY

1шт.

5

32A20-00060

CRANKSHAFT ASSY

1шт.

501

32A23-00300

GEAR-CRANKSHAFT

1шт.

6

F2850-04008

PIN-SPRING

1шт.

7

32A29-22100

GEAR-DRIVE BALANCER

1шт.

8

32A29-30010

BALANCER ASSY

1шт.

801

F2871-04010

KEY-SUNK

2шт.

802

F3202-05200

RING-SNAP

2шт.

803

F8006-06205

BEARING-BALL

2шт.

804

F1805-10020

BOLT-W/WASHER

2шт.

N805

@

PLUG

NOT

1шт.

806

32A29-01200

WASHER

2шт.

807

32A29-11300

BUSHING-BALANCER

2шт.

808

32A29-22200

GEAR-BALANCER,RH

1шт.

809

32A29-22300

GEAR-BALANCER,LH

1шт.

810

32A29-30100

SHAFT-BALANCER

2шт.

N811

@

CASE-BALANCER

NOT

1шт.

9

MS471102

BUSHING-KNOCK

2шт.

10

F1035-08040

BOLT

2шт.

11

F1035-08085

BOLT

4шт.

12

F2515-08000

WASHER-SPRING

6шт.

13

32A35-17101

STRAINER-OIL

1шт.

14

F1805-08016

BOLT-W/WASHER

2шт.

15

F3150-02000

O-RING

1шт.

N

@

NOT INDIVIDUALLY SUPPLIED

NOT

ARшт.

Выбрано товаров: 27