Запчасти Hyundai R95W3 PAGE 2010 PUMP MOUNTING ГИДРАВЛИЧЕСКАЯ СИСТЕМА

Схема запчастей Hyundai R95W3 - PAGE 2010 PUMP MOUNTING ГИДРАВЛИЧЕСКАЯ СИСТЕМА
FIT
1:1
100%

Артикул

Название

Примечание

Количество

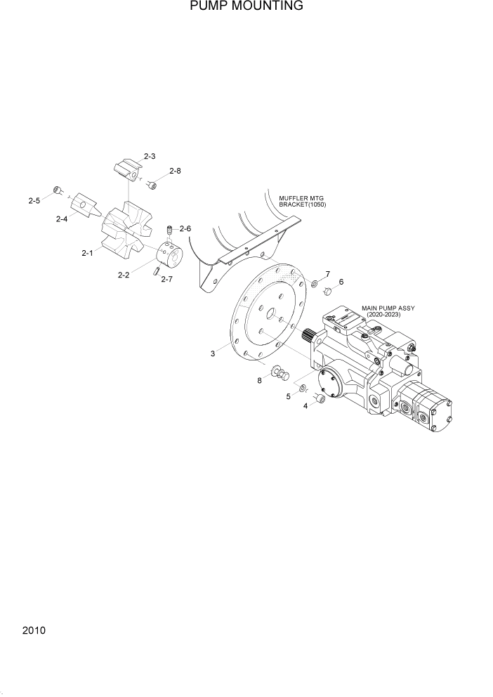
2

11EE-10012

COUPLING ASSY

1шт.

2-1

11E1-1507

ELEMENT

1шт.

2-2

11EE-10030

HUB

1шт.

2-3

11E1-1509

INSERT-A

4шт.

2-4

11E1-1510

INSERT-R

4шт.

2-5

S107-160602

BOLT-SOCKET

4шт.

2-6

11E1-1511

BOLT-CLAMP

2шт.

2-7

S472-500102

PIN-SPRING

8шт.

2-8

S107-160602

BOLT-SOCKET

4шт.

3

11EE-10020

HOUSING-PUMP

1шт.

4

S107-120352

BOLT-SOCKET

4шт.

5

S411-120002

WASHER-SPRING

4шт.

6

S017-100352

BOLT-HEX

4шт.

7

S411-100002

WASHER-SPRING

4шт.

8

S037-103022

BOLT-W/WASHER

8шт.

Выбрано товаров: 0