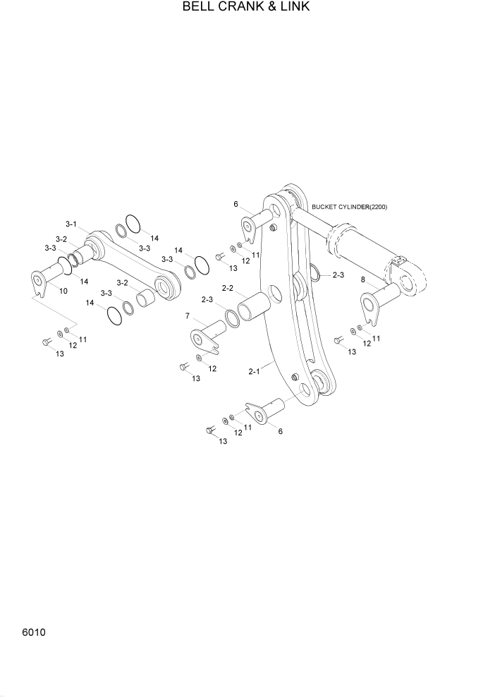
Запчасти Hyundai HL740-3ATM PAGE 6010 BELL CRANK & LINK РАБОЧЕЕ ОБОРУДОВАНИЕ

Схема запчастей Hyundai HL740-3ATM - PAGE 6010 BELL CRANK & LINK РАБОЧЕЕ ОБОРУДОВАНИЕ
FIT
1:1
100%

Артикул

Название

Примечание

Количество

2

61L7-10124

BELL CRANK ASSY

1шт.

2-1

61L7-10134

BELL CRANK WA

1шт.

2-2

64L3-00140

BUSHING

1шт.

2-3

S700-100308

DUST SEAL-DKIY TYPE

2шт.

3

61L7-10200

LINK ASSY

1шт.

3-1

61L7-10210

LINK WA

1шт.

3-2

61L7-10220

BUSHING

2шт.

3-3

S700-070206

DUST SEAL-DKIY TYPE

4шт.

6

61L7-10250

PIN WA

2шт.

7

61L7-10260

PIN WA

1шт.

8

61L7-10274

PIN WA

1шт.

10

61L7-10320

PIN WA

1шт.

11

61L7-10280

SPACER

4шт.

12

61L7-10290

WASHER

5шт.

13

S017-160402

BOLT-HEX

5шт.

14

61L7-10301

O-RING

4шт.

Выбрано товаров: 16