Запчасти Hyundai HL740-3ATM PAGE 1040 ENGINE CONTROL SYSTEM ДВИГАТЕЛЬ

Схема запчастей Hyundai HL740-3ATM - PAGE 1040 ENGINE CONTROL SYSTEM ДВИГАТЕЛЬ
FIT
1:1
100%

Артикул

Название

Примечание

Количество

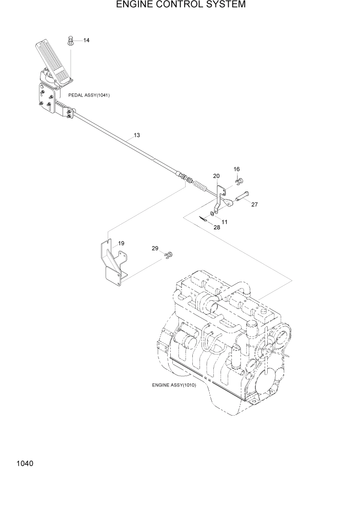
11

S403-082002

WASHER-PLAIN

1шт.

13

11L7-10015

PULL CABLE

1шт.

14

S035-062022

BOLT-W/WASHER

3шт.

16

S035-061522

BOLT-W/WASHER

2шт.

19

11L7-10040

BRACKET WA

1шт.

20

11L7-10050

LEVER

1шт.

27

S491-080182

PIN-CLEVIS

1шт.

28

S461-320152

PIN-SPLIT

1шт.

29

S037-122552

BOLT-W/WASHER

2шт.

Выбрано товаров: 9