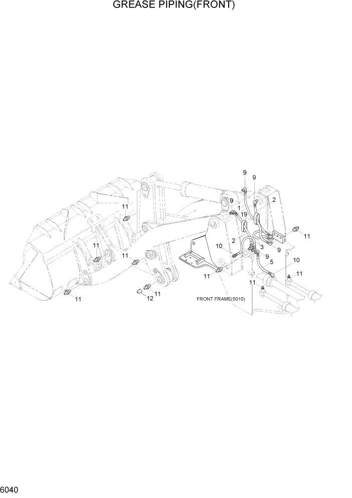
Запчасти Hyundai HL740-3ATM PAGE 6040 GREASE PIPING(FRONT) РАБОЧЕЕ ОБОРУДОВАНИЕ

Схема запчастей Hyundai HL740-3ATM - PAGE 6040 GREASE PIPING(FRONT) РАБОЧЕЕ ОБОРУДОВАНИЕ
FIT
1:1
100%

Артикул

Название

Примечание

Количество

1

P600-042020

HOSE ASSY-THD

1шт.

2

P600-042025

HOSE ASSY-THD

2шт.

3

P600-042009

HOSE ASSY-THD

2шт.

5

P600-042017

HOSE ASSY-THD

1шт.

9

61L1-3909

ELBOW-90

9шт.

10

61L3-0162

ELBOW-45

3шт.

11

S651-810002

NIPPLE-GREASE

16шт.

12

S654-000000

CAP-GREASE NIPPLE

6шт.

19

S760-020706

GROMMET

2шт.

Выбрано товаров: 9