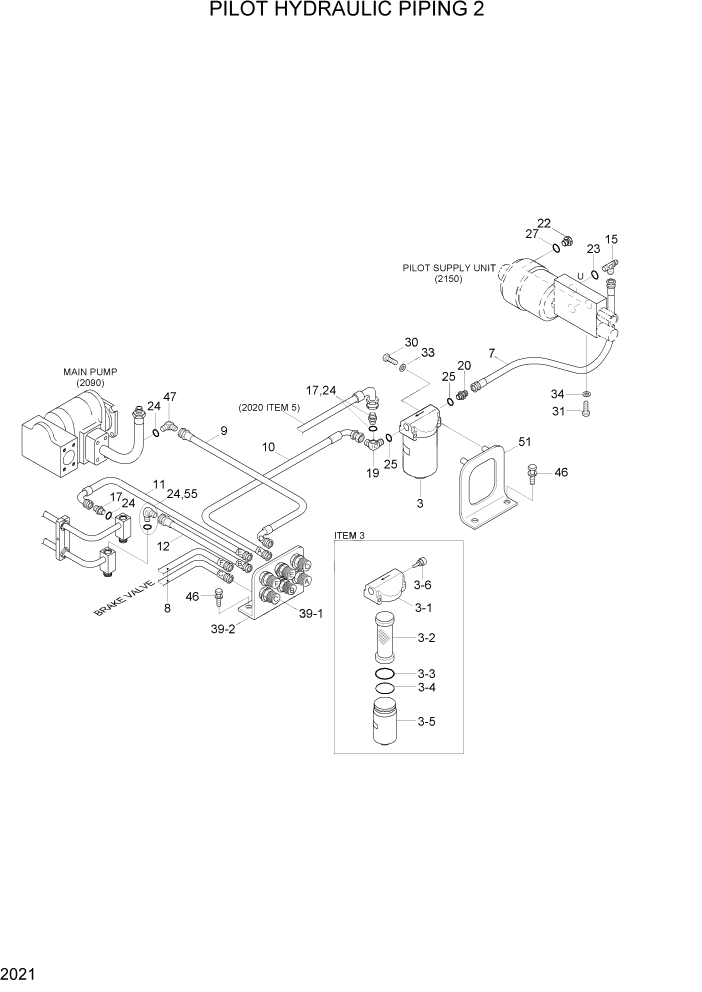
Запчасти Hyundai HL740-3ATM PAGE 2021 PILOT HYDRAULIC PIPING 2 ГИДРАВЛИЧЕСКАЯ СИСТЕМА

Схема запчастей Hyundai HL740-3ATM - PAGE 2021 PILOT HYDRAULIC PIPING 2 ГИДРАВЛИЧЕСКАЯ СИСТЕМА
FIT
1:1
100%

Артикул

Название

Примечание

Количество

3

31E3-0017

FILTER-LINE

1шт.

3-1

31E3-0067

HEAD-FILTER

#0878

1шт.

3-1

31E3-00670

HEAD-FILTER

#0879

1шт.

3-2

31E3-0018

ELEMENT-LINE FILTER

1шт.

3-3

31E3-0069

RING

#0878

1шт.

3-4

31E3-0070

O-RING

#0878

1шт.

3-4

31E3-00700

O-RING

#0879

1шт.

3-5

31E3-0071

CAP

#0878

1шт.

3-5

31E3-00710

CASE-FILTER

#0879

1шт.

3-6

31E3-00680

VALVE ASSY

#0879

1шт.

7

P600-062016

HOSE ASSY-THD

1шт.

8

P620-042016

HOSE ASSY-THD 0X90

2шт.

9

P620-047008

HOSE ASSY-THD 0X90

1шт.

10

P620-042008

HOSE ASSY-THD 0X90

1шт.

11

P620-047007

HOSE ASSY-THD 0X90

1шт.

12

P600-047006

HOSE ASSY-THD

1шт.

15

31L7-10050

TEE

1шт.

17

P010-110002

CONNECTOR

2шт.

19

31L3-0375

ELBOW-90

1шт.

20

P010-110015

CONNECTOR

1шт.

22

P220-310103

PLUG-HEX

1шт.

23

S611-012001

O-RING

1шт.

24

S631-011004

O-RING

4шт.

25

S631-018004

O-RING

2шт.

27

S611-016001

O-RING

1шт.

30

S015-060602

BOLT-HEX

2шт.

31

S015-080202

BOLT-HEX

2шт.

33

S411-060002

WASHER-SPRING

10шт.

34

S411-080002

WASHER-SPRING

2шт.

39

31L6-01720

SCREW COUPLING ASSY

1шт.

39-1

31EM-30210

COUPLING-SCREW

6шт.

39-2

31L6-01740

PLATE

1шт.

46

S037-122552

BOLT-W/WASHER

4шт.

47

P020-110001

ELBOW-90

1шт.

51

31L7-10120

PLATE WA

1шт.

55

P030-110001

ELBOW-45

1шт.

Выбрано товаров: 36