Запчасти Hyundai HL740-3ATM PAGE 2090 MAIN PUMP ГИДРАВЛИЧЕСКАЯ СИСТЕМА

Схема запчастей Hyundai HL740-3ATM - PAGE 2090 MAIN PUMP ГИДРАВЛИЧЕСКАЯ СИСТЕМА
FIT
1:1
100%

Артикул

Название

Примечание

Количество

*

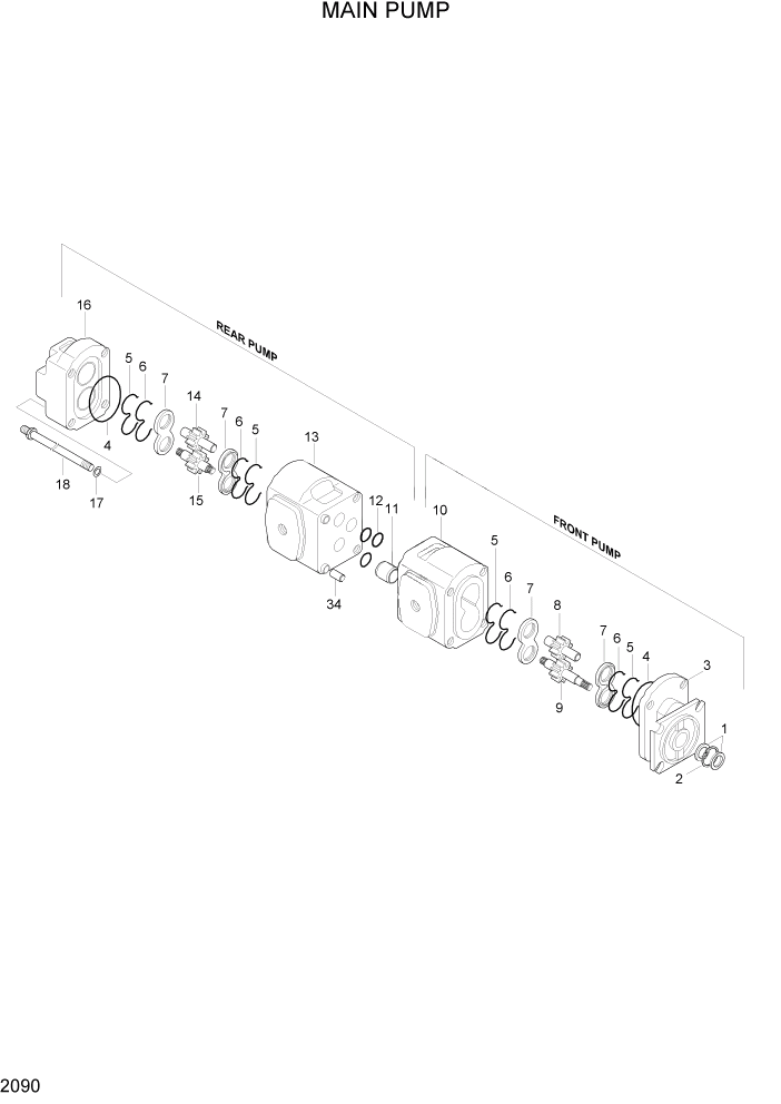
31L7-00550

MAIN PUMP

1шт.

K1

8682-119-00W

SEAL-SHAFT

2шт.

K2

9211-530-006

CIRCLIP

1шт.

3

2PRF07B2K

FLANGE

1шт.

K4

9312-641-004

O-RING

2шт.

K5

8682-016-00L

SEAL

4шт.

K6

8682-015-00Q

SEAL

4шт.

7

8682-058-00M

PLATE-BALANCE

4шт.

8

2PRG044-C1C10

GEAR-DRIVEN

1шт.

9

2PRG044-N3B13

GEAR-DRIVE

1шт.

10

2PRB044-17S6S3H

BODY-FRONT

1шт.

11

8682-009-00D

COUPLING-SPLINED

1шт.

K12

9313-024-00W

O-RING

3шт.

13

2PRB037-08B1S39

BODY-REAR

1шт.

14

2PRG037-C1C1G

GEAR-DRIVEN

1шт.

15

2PRG037-B1A1T

GEAR-DRIVE

1шт.

16

2PRC01M

COVER

1шт.

17

9222-575-009

WASHER

4шт.

18

8798-234-00X

STUD ASSY

4шт.

34

8676-024-003

DOWEL

2шт.

K

8682-023-00N

SEAL KIT(1,2,4-6)

FRONT PUMP

1шт.

K

8833-023-000

SEAL KIT(4-6,12)

REAR PUMP

1шт.

Выбрано товаров: 22