Запчасти Hyundai HL7803A PAGE 6060 TRANSMISSION COOLING PIPING СИЛОВАЯ СИСТЕМА

Схема запчастей Hyundai HL7803A - PAGE 6060 TRANSMISSION COOLING PIPING СИЛОВАЯ СИСТЕМА
FIT
1:1
100%

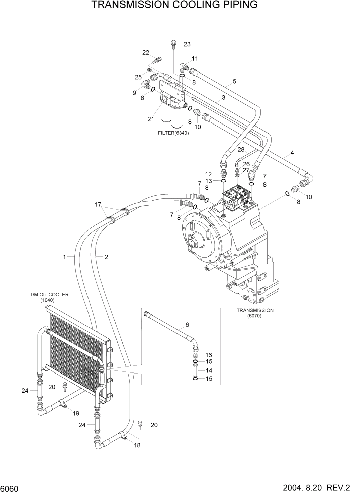
Артикул

Название

Примечание

Количество

1

P620-201060

HOSE ASSY-THD 0X90

1шт.

2

P620-201078

HOSE ASSY-THD 0X90

1шт.

3

P620-201023

HOSE ASSY-THD 0X90

1шт.

4

P620-201027

HOSE ASSY-THD 0X90

1шт.

5

P610-121028

HOSE ASSY-THD 0X45

1шт.

6

P620-161017

HOSE ASSY-THD 0X90

1шт.

7

81L6-01150

ELBOW-45

3шт.

8

S631-039001

O-RING

7шт.

9

82L1-3313

ELBOW-90

1шт.

10

81L6-01120

CONNECTOR

2шт.

11

81D5-60070

ELBOW-90

1шт.

12

81D5-60060

CONNECTOR

1шт.

13

81D5-60050

O-RING

1шт.

14

81L6-01260

CHECK VALVE

1шт.

15

S631-029004

O-RING

2шт.

16

P010-110006

CONNECTOR

1шт.

17

81L6-01170

GROMMET

2шт.

18

81L6-01210

CLAMP-HOSE

1шт.

19

31E7-0309

CLAMP-HOSE

1шт.

20

S037-122052

BOLT-W/WASHER

2шт.

21

81L6-01220

BRACKET WA

#0034

1шт.

21

81L6-01221

BRACKET WA

#0035

1шт.

22

S037-122552

BOLT-W/WASHER

2шт.

23

S037-102552

BOLT-W/WASHER

2шт.

24

81L6-01280

PIPE WA

2шт.

25

31EM-30210

COUPLING-SCREW

#0035

1шт.

26

81LB-60050

CONNECTOR

#0035

1шт.

27

P392-100000

WASHER-COPPER

#0035

1шт.

28

P610-043023

HOSE ASSY-THD 0X45

#0035

1шт.

Выбрано товаров: 29