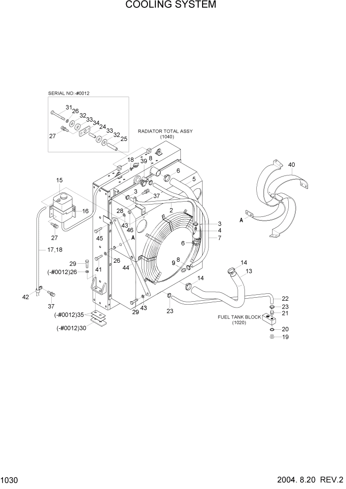
Запчасти Hyundai HL7803A PAGE 1030 COOLING SYSTEM СИСТЕМА ДВИГАТЕЛЯ

Схема запчастей Hyundai HL7803A - PAGE 1030 COOLING SYSTEM СИСТЕМА ДВИГАТЕЛЯ
FIT
1:1
100%

Артикул

Название

Примечание

Количество

2

P760-011130

HOSE-RUBBER LOW

1шт.

3

S572-200002

CLAMP-HOSE WIRE TYPE

2шт.

4

11L6-30350

CONNECTOR-HOSE

1шт.

5

11L6-30310

HOSE-RAD INLET

1шт.

6

S572-750006

CLAMP-HOSE WIRE TYPE

3шт.

7

P710-161032

HOSE-MAKE UP

1шт.

8

S572-360002

CLAMP-HOSE WIRE TYPE

2шт.

9

11L1-3016

FITTING

1шт.

13

11L6-30360

HOSE-OUTLET

1шт.

14

S572-820006

CLAMP-HOSE WIRE TYPE

1шт.

15

14L4-00840

RESERVOIR TANK

1шт.

16

11L6-02440

BRACKET ASSY

1шт.

17

P710-061060

HOSE-VENT

1шт.

18

S520-015000

CLAMP-HOSE

2шт.

19

P220-110104

PLUG-HEX

1шт.

20

S631-018001

O-RING

1шт.

21

P090-100808

CONNECTOR

1шт.

22

P710-081036

HOSE

1шт.

23

S572-240002

CLAMP-HOSE WIRE TYPE

2шт.

24

11L6-02140

COLLAR

#0012

2шт.

25

11L6-02150

COLLAR

#0012

2шт.

26

S441-120002

WASHER-HARDENED

#0012

14шт.

26

S441-120002

WASHER-HARDENED

#0013

8шт.

27

S037-123052

BOLT-W/WASHER

#0012

6шт.

27

S037-123052

BOLT-W/WASHER

#0013

2шт.

28

S541-180002

CLAMP-TUBE

1шт.

29

S017-120502

BOLT-HEX

#0012

4шт.

29

S017-160302

BOLT-HEX

#0013

6шт.

30

11L6-00512

PLATE-RUBBER

#0012

2шт.

31

S017-121402

BOLT-HEX

#0012

2шт.

32

11L7-30070

WASHER

#0012

4шт.

33

11L7-30042

RUBBER-CUSHION

#0012

4шт.

34

11L6-01431

PLATE

#0012

2шт.

35

11L6-01980

SHIM

#0012

4шт.

37

S037-101552

BOLT-W/WASHER HEX

2шт.

39

14E7-01070

GAUGE-SIGHT

1шт.

40

11L6-30340

WIND GUIDE WA

1шт.

41

S017-120202

BOLT-HEX

8шт.

42

S543-120002

CLAMP-TUBE

1шт.

43

S441-160002

WASHER-HARDENED

#0013

8шт.

44

11L6-30370

STAY

#0013

2шт.

45

S017-160402

BOLT-HEX

#0013

2шт.

46

S205-161002

NUT-HEX

#0013

2шт.

Выбрано товаров: 43