Качественные детали и логистика
Оригинальные и аналоговые запчасти с доставкой по России, Казахстану и Беларуси
©2022 PartSell ООО "Система" ИНН 2463123282 ОГРН 1212400004838
Центральный офис: г. Красноярск, Академика Киренского, д.87, пом.4
Телефон: 8 (800) 777-65-74 Email: zakaz@partsell.ru
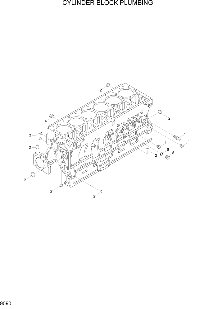
PAGE 9090 CYLINDER BLOCK PLUMBING
№
Артикул
Название
Примечание
Количество
1
3008466
PLUG-PIPE
BB2736-02
2шт.
2
3007635
PLUG-EXPANSION
4шт.
3
3007632
9шт.
4
3008468
1шт.
*
3037536
PLUG-THREADED
N5
3040813
NOT
6
3037537
SEAL/O-RING
7
3042619
NIPPLE-COUPLING
N
@
NOT INDIVIDUALLY SUPPLIED
ARшт.
Выбрано товаров: 9