Запчасти Hyundai HL7803A PAGE 3180 PILOT HYDRAULIC PIPING(3-SPOOL) ГИДРАВЛИЧЕСКАЯ СИСТЕМА

Схема запчастей Hyundai HL7803A - PAGE 3180 PILOT HYDRAULIC PIPING(3-SPOOL) ГИДРАВЛИЧЕСКАЯ СИСТЕМА
FIT
1:1
100%

Артикул

Название

Примечание

Количество

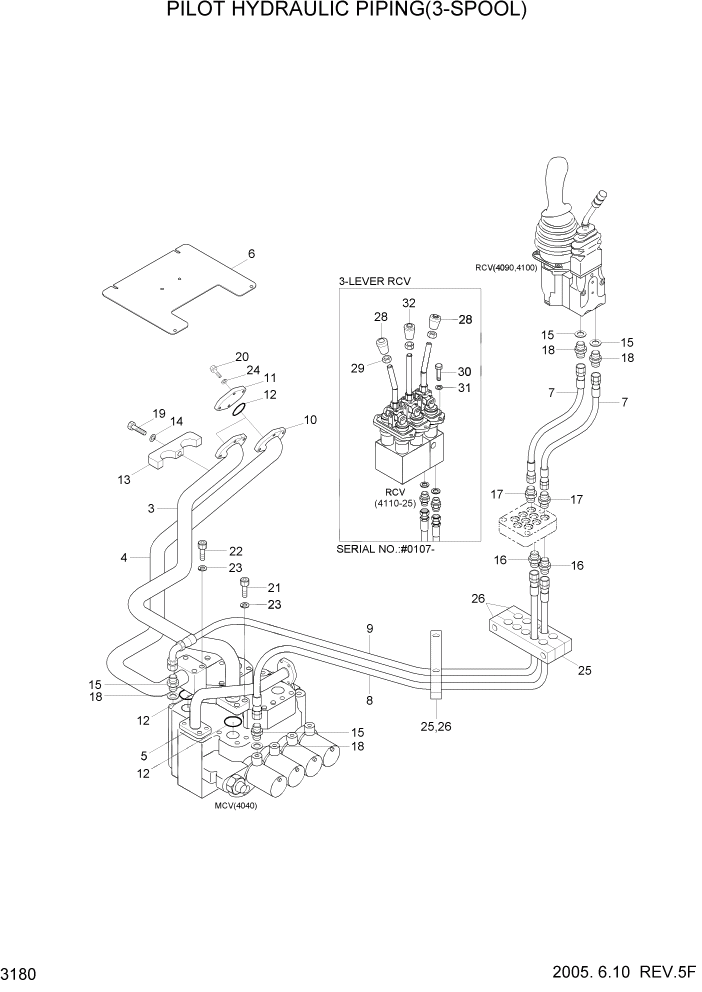
3

31L6-02230

PIPE WA

1шт.

4

31L6-02240

PIPE WA

1шт.

5

31L6-03251

PIPE WA

1шт.

6

31L6-03420

COVER WA

1шт.

7

P600-062008

HOSE ASSY-THD

2шт.

8

P600-062065

HOSE ASSY-THD

1шт.

9

P620-062056

HOSE ASSY-THD 0X90

1шт.

10

P173-200106

FLANGE-SPLIT

4шт.

11

34L1-01870

COVER-FLANGE

2шт.

12

Y171-027004

O-RING

4шт.

13

31L6-02280

CLAMP

1шт.

14

S441-120002

WASHER-HARDENED

1шт.

15

P010-120012

CONNECTOR

4шт.

16

P010-110012

CONNECTOR

2шт.

17

31EK-20110

FILTER-LAST GUARD

2шт.

18

P391-040000

WASHER-COPPER

4шт.

19

S017-120752

BOLT-HEX

1шт.

20

S109-100306

BOLT-SOCKET

8шт.

21

S109-140456

BOLT-SOCKET

4шт.

22

S109-141356

BOLT-SOCKET

4шт.

23

S411-140002

WASHER-SPRING

8шт.

24

S411-100002

WASHER-SPRING

8шт.

25

31L6-02290

CLAMP

2шт.

26

31L6-02300

CLAMP

4шт.

28

34L4-02330

KNOB ASSY

3-LEVER RCV #0107

2шт.

29

S207-120002

NUT-HEX

3-LEVER RCV #0107

3шт.

30

S015-060252

BOLT-HEX

3-LEVER RCV #0107

2шт.

31

S441-060002

WASHER-HARDENED

3-LEVER RCV #0107

2шт.

32

31LB-10180

KNOB ASSY

3-LEVER RCV #0107

1шт.

Выбрано товаров: 29