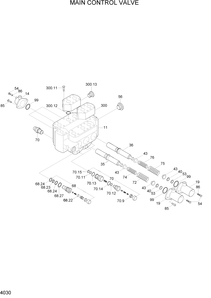
Запчасти Hyundai HL7803A PAGE 4030 MAIN CONTROL VALVE ГИДРАВЛИЧЕСКИЕ КОМПОНЕНТЫ

Схема запчастей Hyundai HL7803A - PAGE 4030 MAIN CONTROL VALVE ГИДРАВЛИЧЕСКИЕ КОМПОНЕНТЫ
FIT
1:1
100%

Артикул

Название

Примечание

Количество

*

31L6-00020

MAIN CONTROL VALVE

1шт.

11

ZGAR-00001

HOUSING

1шт.

14

ZGAR-00002

COVER-SHORT

3шт.

19

ZGAR-00003

COVER-LONG

3шт.

35

ZGAR-00004

SPOOL

2шт.

36

ZGAR-00005

SPOOL

1шт.

40

ZGAR-00006

RING

3шт.

43

ZGAR-00007

RETAINER-SPRING

6шт.

53

ZGAR-00008

RING-SNAP

3шт.

54

ZGAR-00009

SCREW

6шт.

56

ZGAR-00010

SCREW-LOCKING

1шт.

68

ZGAR-00011

MAIN RELIEF VALVE

1шт.

K68-22

ZGAR-00012

O-RING

1шт.

K68-23

ZGAR-00013

O-RING

1шт.

K68-24

ZGAR-00014

RING-BACK UP

2шт.

K68-27

ZGAR-00015

O-RING

1шт.

70

ZGAR-00016

VALVE-P/RELIEF

3шт.

K70-9

@

SEAL-LOCK NUT

NOT

1шт.

K70-11

@

O-RING

NOT

1шт.

K70-12

@

SEAL-PISTON

NOT

1шт.

K70-13

@

O-RING

NOT

1шт.

K70-14

@

O-RING

NOT

1шт.

K70-15

@

RING-THRUST

NOT

2шт.

72

ZGAR-00017

SPRING-COMPRESSION

2шт.

74

ZGAR-00018

SPRING-COMPRESSION

2шт.

75

ZGAR-00019

SPRING-COMPRESSION

1шт.

76

ZGAR-00020

SPRING-COMPRESSION

1шт.

85

ZGAR-00021

SCREW

12шт.

K86

ZGAR-00022

RING-SEALING

2шт.

K99

ZGAR-00023

O-RING

2шт.

300

ZGAR-00024

PLATE

2шт.

300-11

ZGAR-00025

BOLT

8шт.

300-12

ZGAR-00026

O-RING

2шт.

300-13

ZGAR-00027

SCREW-LOCKING

2шт.

K

ZGAR-00028

SEAL KIT(86,99,300.12)

1шт.

K

ZGAR-00029

SEAL KIT(68.22-68.27)

1шт.

K

ZGAR-00030

SEAL KIT(70.9-70.15)

1шт.

N

@

NOT INDIVIDUALLY SUPPLIED

NOT

ARшт.

Выбрано товаров: 38