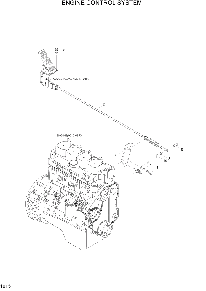
Запчасти Hyundai HL730-7 PAGE 1015 ENGINE CONTROL SYSTEM СИСТЕМА ДВИГАТЕЛЯ

Схема запчастей Hyundai HL730-7 - PAGE 1015 ENGINE CONTROL SYSTEM СИСТЕМА ДВИГАТЕЛЯ
FIT
1:1
100%

Артикул

Название

Примечание

Количество

2

11LG-10010

PULL CABLE ASSY

1шт.

3

S035-062022

BOLT-W/WASHER

3шт.

4

11LG-10020

PLATE WA

1шт.

5

S035-082022

BOLT-W/WASHER HEX

1шт.

6

S015-060202

BOLT-HEX

2шт.

7

S411-060002

WASHER-SPRING

2шт.

8

S401-062002

WASHER-PLAIN

3шт.

9

S491-060152

PIN-CLEVIS

1шт.

10

S501-060002

PIN-SELF LOCKING

1шт.

Выбрано товаров: 9