Запчасти Hyundai HL730-7 PAGE 6040 TRANSMISSION MOUNTING СИЛОВАЯ СИСТЕМА

Схема запчастей Hyundai HL730-7 - PAGE 6040 TRANSMISSION MOUNTING СИЛОВАЯ СИСТЕМА
FIT
1:1
100%

Артикул

Название

Примечание

Количество

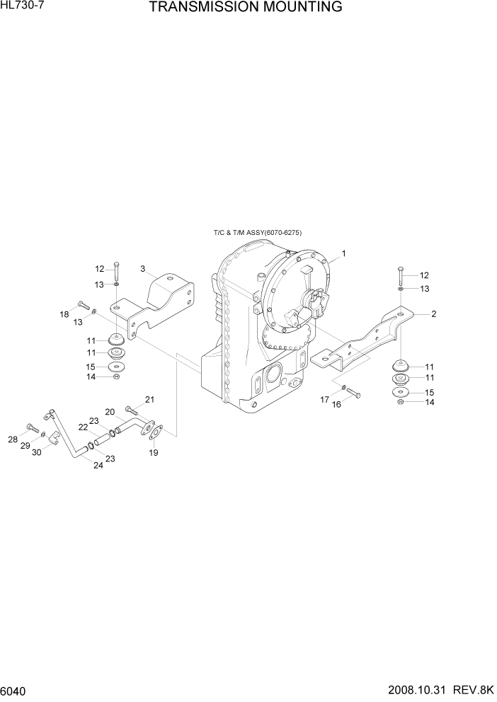
1

81LG-60010

T/M & T/C ASSY

#0412

1шт.

1

81LG-60011

T/C & T/M ASSY

#0413

1шт.

2

81LG-60020

BRACKET WA

1шт.

3

81LF-60020

BRACKET WA

1шт.

11

11N6-10455

RUBBER-MOUNT,RR

8шт.

12

S017-201302

BOLT-HEX

4шт.

13

S441-200002

WASHER-HARDENED

8шт.

14

S205-201002

NUT-HEX

4шт.

15

11L7-00170

WASHER-MOUNT

4шт.

16

S017-160352

BOLT-HEX

4шт.

17

S441-160002

WASHER-HARDENED

4шт.

18

S017-200352

BOLT-HEX

#0263

4шт.

18

S017-20040D

BOLT-HEX

#0264

4шт.

19

12L2-0013

GASKET

1шт.

20

81LF-60040

PIPE WA

#0003

1шт.

20

81LF-60041

PIPE WA

#0004

1шт.

21

S035-082522

BOLT-W/WASHER

2шт.

22

P760-043010

HOSE-RUBBER

1шт.

23

S572-400002

CLAMP-HOSE,WIRE TYPE

2шт.

24

81LF-60050

PIPE WA

1шт.

28

S017-100502

BOLT-HEX

1шт.

29

S441-100002

WASHER-HARDENED

1шт.

30

81LF-60060

CLAMP-PIPE

1шт.

Выбрано товаров: 23