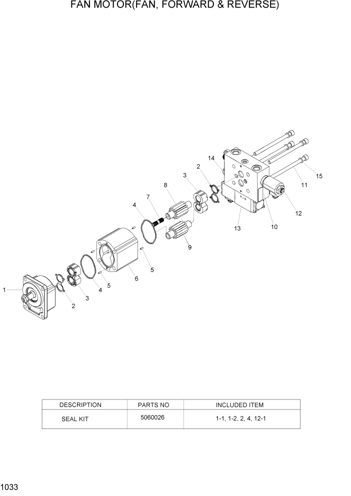
Запчасти Hyundai HL730-7A PAGE 1033 FAN MOTOR(FAN, FORWARD & REVERSE) СИСТЕМА ДВИГАТЕЛЯ

Схема запчастей Hyundai HL730-7A - PAGE 1033 FAN MOTOR(FAN, FORWARD & REVERSE) СИСТЕМА ДВИГАТЕЛЯ
FIT
1:1
100%

Артикул

Название

Примечание

Количество

*

11LG-30700

MOTOR-FAN

1шт.

1

@

FRONT BEARING

NOT

1шт.

K1-1

20-103838

SHAFT SEAL I

NOT SHOWN

1шт.

K1-2

758403

SHAFT SEAL II

NOT SHOWN

1шт.

K2

5060017

SEAL

2шт.

3

@

BEARING BLOCK

NOT

2шт.

K4

2120305

O-RING

2шт.

5

@

DOWEL PIN

NOT

4шт.

6

@

GEAR HOUSING

NOT

1шт.

7

@

COUPLING

NOT

1шт.

8

@

DRIVE GEAR

NOT

1шт.

9

@

IDLER GEAR

NOT

1шт.

10

@

VALVE COVER

NOT

1шт.

11

@

BOLT

NOT

4шт.

12

5030338

RELIEF VALVE CARTRIDGE

1шт.

K12-1

857981

O-RING

ONLY(12+13ASSY)

1шт.

13

20-104301

SOLENOID VALVE

1шт.

14

20-104302

CHECK VLV CARTRIDGE

1шт.

15

@

WASHER

NOT

4шт.

K

5060026

SEAL KIT

SEE ILLUST

1шт.

Выбрано товаров: 20