Запчасти Hyundai HL730-7A PAGE 9410 CONNECTING ROD AND PISTON ДВИГАТЕЛЬ БАЗА

Схема запчастей Hyundai HL730-7A - PAGE 9410 CONNECTING ROD AND PISTON ДВИГАТЕЛЬ БАЗА
FIT
1:1
100%

Артикул

Название

Примечание

Количество

*

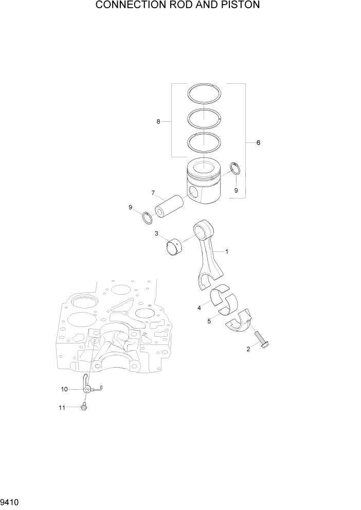
3971212

ROD-ENG CONNECTING

PP8756

4шт.

N1

3971211

ROD-ENG CONNECTING

NOT

1шт.

2

4891179

SCREW-CONN ROD CAP

2шт.

3

4891178

BUSHING

1шт.

4

3969562

BEARING-C/ROD(STD)

4шт.

5

4893693

BEARING-C/ROD(STD)

4шт.

*-1

4931041

PIN-PISTON

4шт.

6

4955160

ENGINE PISTON KIT

4шт.

N *-2

4931888

PISTON-ENGINE

NOT

1шт.

7

4931041

PIN-PISTON

1шт.

8

4955251

PISTON RING SET

1шт.

9

3920691

RING-RETAINING

8шт.

10

4937308

NOZZLE-PISTON COOLING

4шт.

11

3964817

SCREW-BANJO CONN

4шт.

N

@

NOT INDIVIDUALLY SUPPLIED

NOT

ARшт.

Выбрано товаров: 15