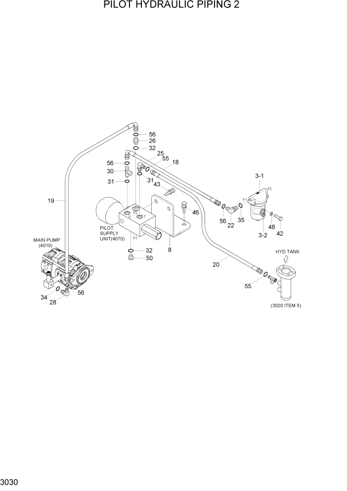
Запчасти Hyundai HL730-7A PAGE 3030 PILOT HYDRAULIC PIPING 2 ГИДРАВЛИЧЕСКАЯ СИСТЕМА

Схема запчастей Hyundai HL730-7A - PAGE 3030 PILOT HYDRAULIC PIPING 2 ГИДРАВЛИЧЕСКАЯ СИСТЕМА
FIT
1:1
100%

Артикул

Название

Примечание

Количество

3

31MH-20310

FILTER-LINE

1шт.

3-1

31E3-0044

BODY

1шт.

3-2

31MH-20320

ELEMENT-LINE FILTER

1шт.

8

31LF-10030

PLATE

1шт.

18

P930-062006

HOSE ASSY-ORFS 0X90

1шт.

19

P930-064017

HOSE ASSY-ORFS 0X90

1шт.

20

P910-042013

HOSE ASSY-ORFS 0X0

1шт.

22

X520-110014

ELBOW-90,ORFS

1шт.

25

X520-310001

ELBOW-90,ORFS

1шт.

26

31S8-20180

CONNECTOR

1шт.

28

X520-110002

ELBOW-90,ORFS

2шт.

30

31LF-10080

TEE-R/TYPE,ORFS

1шт.

31

S611-012001

O-RING

2шт.

32

S611-016001

O-RING

2шт.

34

S631-014004

O-RING

1шт.

35

S631-018004

O-RING

1шт.

42

S015-060556

BOLT-HEX

2шт.

43

S035-082056

BOLT-W/WASHER

2шт.

46

S037-122556

BOLT-W/WASHER

2шт.

48

S441-060006

WASHER-HARDENED

2шт.

50

P220-310103

PLUG-HEX

1шт.

55

S621-011001

O-RING

2шт.

56

S621-012001

O-RING

4шт.

Выбрано товаров: 23