Запчасти Hyundai HL730-7A PAGE 4040 STEERING UNIT ГИДРАВЛИЧЕСКИЕ КОМПОНЕНТЫ

Схема запчастей Hyundai HL730-7A - PAGE 4040 STEERING UNIT ГИДРАВЛИЧЕСКИЕ КОМПОНЕНТЫ
FIT
1:1
100%

Артикул

Название

Примечание

Количество

*

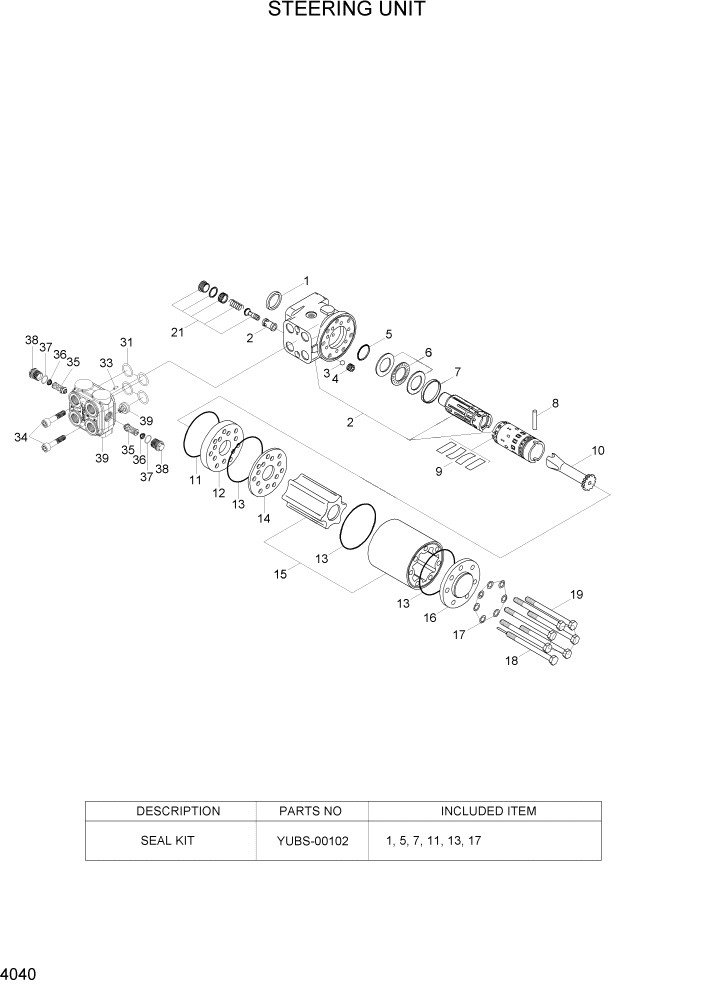
31LG-30130

STEERING UNIT

1шт.

K1

YUBS-00001

SEAL-DUST

1шт.

N2

@

HOUSING,SPOOL,SLEEVE

NOT

1шт.

3

YUBS-00002

BALL

1шт.

4

YUBS-00003

BUSHING-THREAD

1шт.

K5

YUBS-00004

O-RING

1шт.

6

YUBS-00005

BEARING ASSY

1шт.

7

YUBS-00006

RING

1шт.

8

YUBS-00007

PIN-CROSS

1шт.

9

YUBS-00058

SPRING SET

1шт.

10

YUBS-00008

SHAFT-CARDAN

1шт.

K11

YUBS-00010

O-RING

1шт.

12

YUBS-00132

PLATE-INTERMEDIATE

1шт.

K13

YUBS-00013

O-RING

3шт.

14

YUBS-00011

PLATE-DISTRIBUTOR

1шт.

15

YUBS-00133

GEARWHEEL SET

1шт.

16

YUBS-00014

COVER-END

1шт.

K17

YUBS-00015

WASHER

7шт.

18

YUBS-00134

SCREW WITH PIN

1шт.

19

YUBS-00135

SCREW

6шт.

21

YUBS-00116

RELIEF VALVE-PILOT

1шт.

31

YUBS-00117

O-RING SET

1шт.

33

YUBS-00118

PIN-ROLLED

1шт.

34

YUBS-00119

SCREW

2шт.

35

YUBS-00120

VALVE-SHOCK

2шт.

36

YUBS-00121

SPRING

2шт.

37

YUBS-00122

O-RING

2шт.

38

YUBS-00123

PLUG

2шт.

N39

@

HOUSING,CHECK VALVE

NOT

1шт.

40

YUBS-00102

SEAL KIT

SEE ILLUST

1шт.

N

@

NOT INDIVIDUALLY SUPPLIED

NOT

ARшт.

Выбрано товаров: 31