Запчасти Hyundai HL730-7A PAGE 5010 FRONT FRAME СТРУКТУРА

Схема запчастей Hyundai HL730-7A - PAGE 5010 FRONT FRAME СТРУКТУРА
FIT
1:1
100%

Артикул

Название

Примечание

Количество

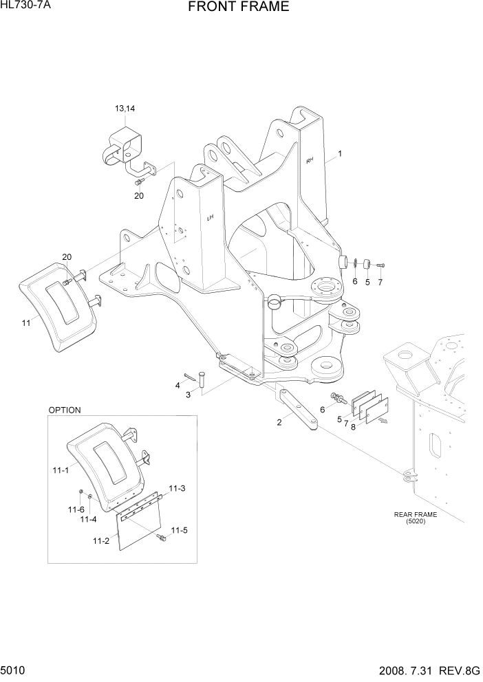
1

41LG-20010

FRONT FRAME WA

1шт.

2

41LG-09010

BAR

1шт.

3

51L7-00430

PIN-CLEVIS

2шт.

4

41L1-1074

PIN

2шт.

5

41LB-29080

STOPPER

2шт.

6

S037-123026

BOLT-W/WASHER

4шт.

7

41LB-29060

SHIM(10T)

2шт.

8

41LB-29070

SHIM(3.0T)

2шт.

11

71LF-72010

FENDER WA-FRONT

#0048

2шт.

11

71LF-72011

FENDER WA-FRONT

#0049

2шт.

11

71LD-72051

FENDER ASSY-LH

OPT #0049

1шт.

11

71LD-72061

FENDER ASSY-RH

OPT #0049

1шт.

11-1

71LD-72071

FENDER WA-LH

OPT #0049

1шт.

11-1

71LD-72081

FENDER WA-RH

OPT #0049

1шт.

11-2

71LD-72090

RUBBER-FENDER

OPT #0049

2шт.

11-3

71LD-72100

PLATE

OPT #0049

2шт.

11-4

71LB-72130

WASHER-WIDE

OPT #0049

5шт.

11-5

S037-122556

BOLT-W/WASHER

OPT #0049

5шт.

11-6

S205-121006

NUT-HEX

OPT #0049

5шт.

13

71LF-72031

LAMP BOX WA-LH

1шт.

14

71LF-72041

LAMP BOX WA-RH

1шт.

20

S037-122556

BOLT-W/WASHER

16шт.

Выбрано товаров: 22