Запчасти Hyundai HL730TM7 PAGE 1010 ENGINE MOUNTING СИСТЕМА ДВИГАТЕЛЯ

Схема запчастей Hyundai HL730TM7 - PAGE 1010 ENGINE MOUNTING СИСТЕМА ДВИГАТЕЛЯ
FIT
1:1
100%

Артикул

Название

Примечание

Количество

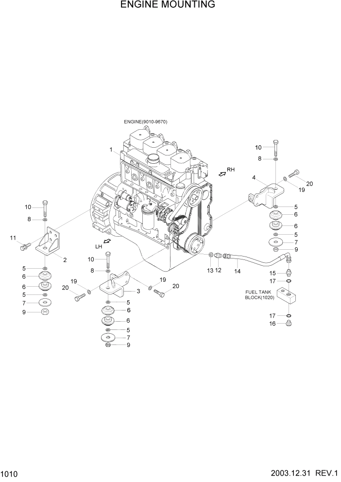
1

11LG-00010

ENGINE ASSY

1шт.

2

11LF-00030

BRACKET WA

2шт.

3

11LG-00032

BRACKET WA-LH

1шт.

4

11LG-00042

BRACKET WA-RH

1шт.

5

11L8-00290

WASHER

#0001

8шт.

6

11N6-08245

RUBBER-MOUNT

#0001

8шт.

7

11L8-00260

WASHER-REBOUND

4шт.

8

S441-160002

WASHER-HARDENED

4шт.

9

S205-161002

NUT-HEX

4шт.

10

S017-161302

BOLT-HEX

4шт.

11

S037-123552

BOLT-W/WASHER

8шт.

12

P010-220008

CONNECTOR

1шт.

13

P392-180000

WASHER-COPPER

1шт.

14

P620-081009

HOSE ASSY-THD 0X90

1шт.

15

P010-110004

CONNECTOR

1шт.

16

P220-110104

PLUG-HEX

1шт.

17

S631-018001

O-RING

2шт.

19

S441-120002

WASHER-HARDENED

6шт.

20

S017-120502

BOLT-HEX

6шт.

Выбрано товаров: 19