Запчасти Hyundai HL730TM7 PAGE 2040 FRONT ELECTRIC ЭЛЕКТРИЧЕСКАЯ СИСТЕМА

Схема запчастей Hyundai HL730TM7 - PAGE 2040 FRONT ELECTRIC ЭЛЕКТРИЧЕСКАЯ СИСТЕМА
FIT
1:1
100%

Артикул

Название

Примечание

Количество

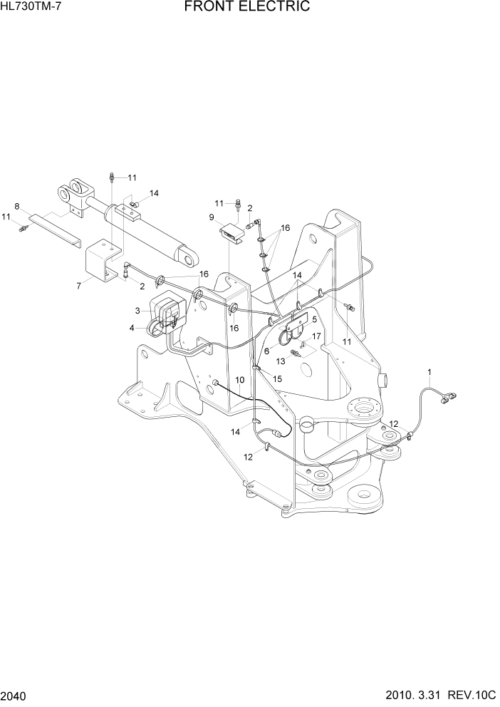
1

21LG-13042

HARNESS-FRONT

#0138

1шт.

1

21LG-13043

HARNESS-FRONT

#0139

1шт.

2

21L6-20010

SWITCH-PROXIMITY

2шт.

3

21LB-20110

HEAD LAMP(ABL)

2шт.

3-1

21EK-10131

BULB

NOT SHOWN #0001

2шт.

3-2

21EK-10250

BULB-HEAD LAMP

NOT SHOWN #0001

2шт.

4

21EK-10380

LAMP-FRONT TURN

2шт.

5

21N5-10060

HORN-HIGH

#0138

1шт.

5

21Q8-10060

HORN-HIGH

#0139

1шт.

6

21N5-10050

HORN-LOW

#0138

1шт.

6

21Q8-10050

HORN-LOW

#0139

1шт.

7

21LF-23030

PLATE

#0133

1шт.

7

21LF-23130

PLATE

#0134

1шт.

8

21LF-23040

ANGLE

#0027

1шт.

8

21LF-23041

ANGLE

#0028 - #0133

1шт.

8

21LF-23140

ANGLE

#0134

1шт.

9

21LD-20012

PLATE-BOOM KICKOUT

1шт.

R10

21LF-10080

HARNESS-RIDE CONTROL

RIDE CONTROL

1шт.

11

S037-102022

BOLT-W/WASHER

10шт.

12

S543-280002

CLAMP-TUBE

2шт.

13

S035-081526

BOLT-W/WASHER

#0138

2шт.

13

S037-101526

BOLT-W/WASHER

#0139

2шт.

14

S543-160002

CLAMP-TUBE

5шт.

15

31E7-0316

CLAMP-HOSE

1шт.

16

S553-035140

CLAMP-BAND

10шт.

17

S593-000902

CLIP-HARNESS

1шт.

Выбрано товаров: 26