Запчасти Hyundai HL730TM7A PAGE 3100 GREASE PIPING(REAR) ГИДРАВЛИЧЕСКАЯ СИСТЕМА

Схема запчастей Hyundai HL730TM7A - PAGE 3100 GREASE PIPING(REAR) ГИДРАВЛИЧЕСКАЯ СИСТЕМА
FIT
1:1
100%

Артикул

Название

Примечание

Количество

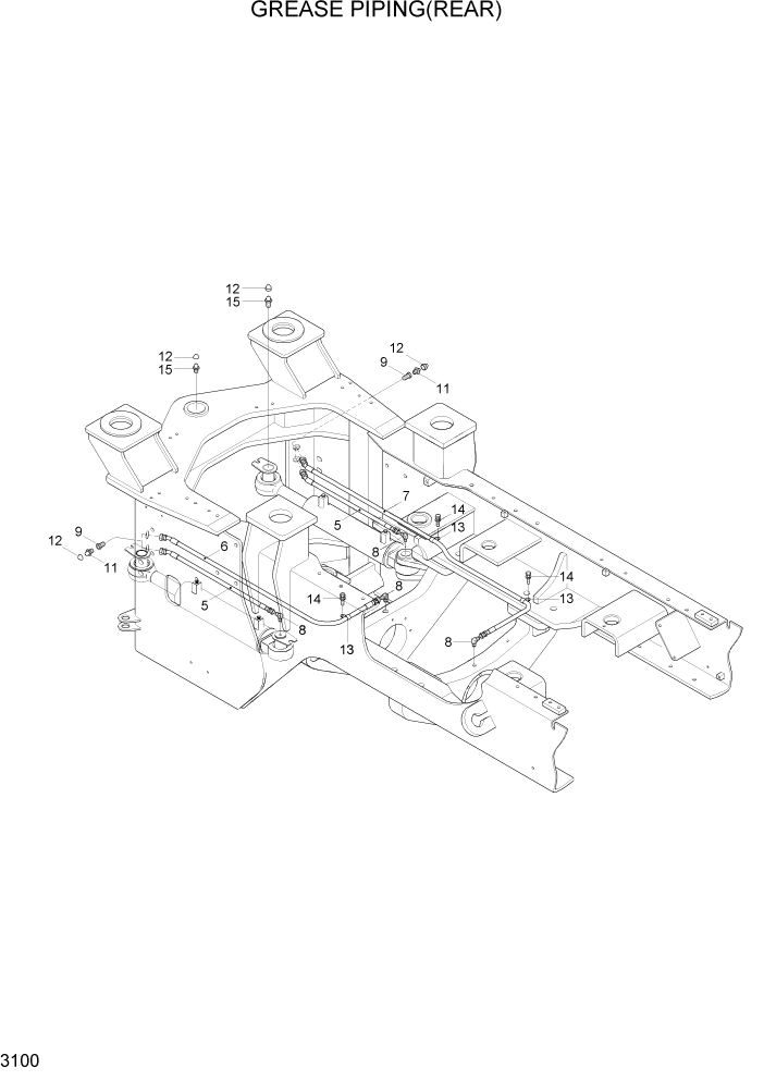
5

P410-042013

HOSE ASSY-COMP 0X45

#0075

2шт.

5

P850-042013

HOSE ASSY-SYN 0X45

#0076

2шт.

6

P410-042026

HOSE ASSY-COMP 0X45

#0075

1шт.

6

P850-042026

HOSE ASSY-SYN 0X45

#0076

1шт.

7

P410-042035

HOSE ASSY-COMP 0X45

#0075

1шт.

7

P850-042035

HOSE ASSY-SYN 0X45

#0076

1шт.

8

61L1-3909

ELBOW-90

4шт.

9

31LB-50020

CONNECTOR

4шт.

11

S651-810002

NIPPLE-GREASE

4шт.

12

S654-000000

CAP-GREASE NIPPLE

8шт.

13

S543-140002

CLAMP-TUBE

3шт.

14

S037-102052

BOLT-W/WASHER

3шт.

15

S653-810002

NIPPLE-GREASE

4шт.

Выбрано товаров: 13