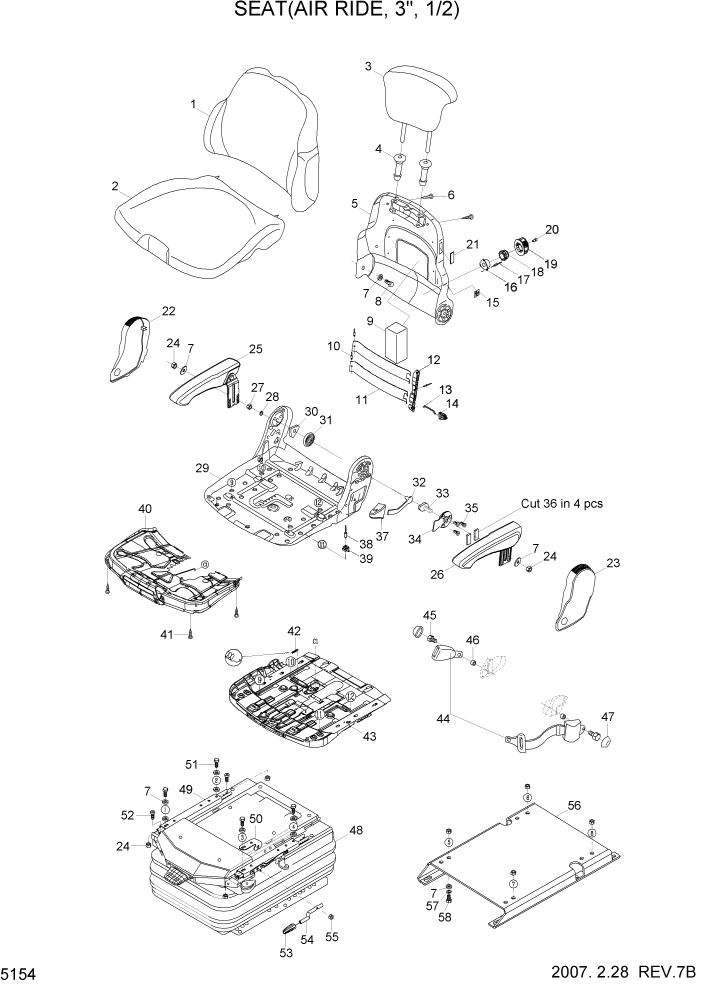
Запчасти Hyundai HL740-7 PAGE 5154 SEAT(AIR RIDE, 3", 1/2) СТРУКТУРА

Схема запчастей Hyundai HL740-7 - PAGE 5154 SEAT(AIR RIDE, 3", 1/2) СТРУКТУРА
FIT
1:1
100%

Артикул

Название

Примечание

Количество

*

71LB-32040

SEAT ASSY-3",AIR RIDE

#0001

1шт.

1

ZGBH-00002

BACKREST CUSHION

1шт.

2

ZGBH-00001

SEAT CUSHION

1шт.

3

ZGBH-00009

HEADREST

1шт.

4

ZGBH-00004

BUSH

2шт.

5

ZGBH-00005

BACKREST PLATE

1шт.

6

ZGBH-00103

SCREW-SELF TAPPING

4шт.

7

ZGBH-00015

WASHER

14шт.

8

ZGBH-00014

SCREW-HEX HEAD

1шт.

9

ZGBH-00016

SPONGE

1шт.

10

ZGBH-00107

RIVET

3шт.

11

ZGBH-00021

PLATE

2шт.

12

ZGBH-00017

WINKEL

1шт.

13

ZGBH-00019

RODS

1шт.

14

ZGBH-00020

CARRIER

1шт.

15

ZGBH-00012

STICKER

1шт.

16

ZGBH-00011

BRAKE-SLING SPRING

1шт.

17

ZGBH-00010

RIVET-BLIND

3шт.

18

ZGBH-00008

WHEEL-TOOLHEAD

1шт.

19

ZGBH-00007

HANDLE

1шт.

20

ZGBH-00055

SCREW

1шт.

21

ZGBH-00013

COVER-PLASTIC

1шт.

22

ZGBH-00022

COVER-RH

1шт.

23

ZGBH-00031

COVER-LH

1шт.

24

ZGBH-00023

HEX NUT-BLACK

9шт.

25

ZGBH-00108

ARM REST-RH

1шт.

26

ZGBH-00030

ARMREST-LH

1шт.

27

ZGBH-00109

SELF LOCK NUT

1шт.

28

ZGBH-00024

WASHER-BLACK

1шт.

29

ZGBH-00110

SEAT PLATE GS.LA

1шт.

30

ZGBH-00025

SPRING HOLDER

1шт.

31

ZGBH-00026

SPRING-LEG

1шт.

32

ZGBH-00027

LEVER

1шт.

33

ZGBH-00112

SCREW

1шт.

34

ZGBH-00113

PLATE

1шт.

35

ZGBH-00029

SCREW

3шт.

36

ZGBH-00056

PLATE-RUBBER

4шт.

37

ZGBH-00033

HANDLE

1шт.

38

ZGBH-00034

RIVET

4шт.

39

ZGBH-00035

PROFILE-GLIDING

4шт.

40

ZGBH-00038

ADJUSTMENT-TILTING

1шт.

41

ZGBH-00037

SCREW-SELF TAPPING

4шт.

42

ZGBH-00039

SPRING

1шт.

43

ZGBH-00114

ADJUSTMENT-SEAT DEPTH

1шт.

44

ZGBH-00102

SEAT BELT

1шт.

45

ZGBH-00053

SCREW

2шт.

46

ZGBH-00051

BUSH

2шт.

47

ZGBH-00050

COVER

2шт.

48

@

SUSPENSION SYSTEM

NOT

1шт.

49

ZGBH-00041

SLIDE RAIL-RH

1шт.

50

ZGBH-00045

BRACKET

1шт.

51

ZGBH-00042

SCREW-HEX HEAD

4шт.

52

ZGBH-00115

CYLINDRIC HEAD SCREW

2шт.

53

ZGBH-00049

KNOB-PLASTIC

1шт.

54

ZGBH-00048

HANDLE

1шт.

55

ZGBH-00116

SELF LOCK NUT

1шт.

56

ZGBH-00117

BOTTOM PLATE LA

1шт.

57

ZGBH-00118

SPRING WASHER

4шт.

58

ZGBH-00104

SCREW-HEX HEAD

4шт.

Выбрано товаров: 0