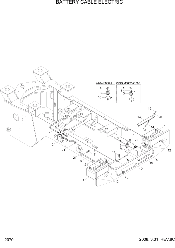
Запчасти Hyundai HL740-7 PAGE 2070 BATTERY CABLE ELECTRIC ЭЛЕКТРИЧЕСКАЯ СИСТЕМА

Схема запчастей Hyundai HL740-7 - PAGE 2070 BATTERY CABLE ELECTRIC ЭЛЕКТРИЧЕСКАЯ СИСТЕМА
FIT
1:1
100%

Артикул

Название

Примечание

Количество

1

21E6-20270

BATTERY

2шт.

2

21E5-0003

RELAY-BATTERY

1шт.

3

21L7-10500

SWITCH-MASTER

#0661

1шт.

3

21N4-10441

SWITCH-MASTER

#0662 - #1335

1шт.

3

21L7-10500

SWITCH-MASTER

#1336

1шт.

3-1

21N4-10441K

KEY-MASTER SWITCH

NOT SHOWN #0662 - #1335

1шт.

4

21EN-00420

DECAL-MASTER SW

#0661

1шт.

4

21N4-10451

DECAL-MASTER SW

#0662 - #1335

1шт.

4

21LD-34180

DECAL-MASTER SW

#1336

1шт.

5

21LF-20110

CABLE(BATT-BATT)

1шт.

6

21LF-20121

CABLE(RELAY-BATT)

1шт.

7

21LD-20051

CABLE(RELAY-STARTER)

1шт.

8

21LG-20020

CABLE(BATT-SWITCH)

1шт.

9

21LF-20091

CABLE(SWITCH-EARTH)

1шт.

10

21EA-40171

LINK-FUSIBLE

1шт.

11

21E7-0612

PLATE-CONNECTOR

1шт.

12

21L8-10170

PAD-RUBBER

4шт.

13

21L8-10142

ANGLE

2шт.

14

21L8-10160

BAR

4шт.

15

S205-081002

NUT-HEX

4шт.

16

21LF-20170

PLATE-MASTER SW

#0661

1шт.

16

21LF-20171

PLATE-MASTER SW

#0662

1шт.

17

S037-102022

BOLT-W/WASHER

11шт.

18

S035-082522

BOLT-W/WASHER

2шт.

19

S543-240002

CLAMP-TUBE

7шт.

20

S411-080002

WASHER-SPRING

4шт.

21

S543-300002

CLAMP-TUBE

4шт.

22

S035-062026

BOLT-W/WASHER

#0662

1шт.

Выбрано товаров: 28