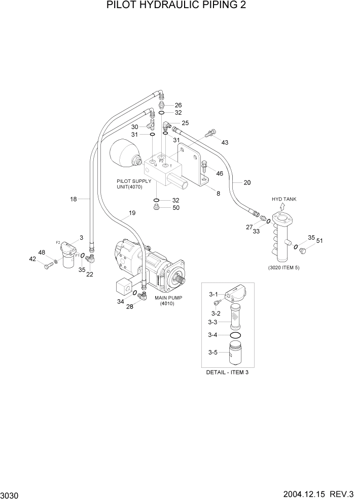
Запчасти Hyundai HL740-7 PAGE 3030 PILOT HYDRAULIC PIPING 2 ГИДРАВЛИЧЕСКАЯ СИСТЕМА

Схема запчастей Hyundai HL740-7 - PAGE 3030 PILOT HYDRAULIC PIPING 2 ГИДРАВЛИЧЕСКАЯ СИСТЕМА
FIT
1:1
100%

Артикул

Название

Примечание

Количество

3

31E3-0017

FILTER-LINE

1шт.

3-1

31E3-00670

HEAD-FILTER

#0001

1шт.

3-2

31E3-00680

VALVE ASSY

#0001

1шт.

3-3

31E3-0018

ELEMENT-LINE FILTER

#0001

1шт.

3-4

31E3-00700

O-RING

#0001

1шт.

3-5

31E3-00710

CASE-FILTER

#0001

1шт.

8

31LF-10030

PLATE

1шт.

18

P620-062009

HOSE ASSY-THD 0X90

1шт.

19

P620-064016

HOSE ASSY-THD 0X90

1шт.

20

P600-042014

HOSE ASSY-THD 0X0

1шт.

22

P020-110014

ELBOW-90

1шт.

25

P020-310002

ELBOW-90

1шт.

26

P010-310005

CONNECTOR

1шт.

27

P010-110002

CONNECTOR

1шт.

28

P020-110002

ELBOW-90

1шт.

30

31L7-10050

TEE

1шт.

31

S611-012001

O-RING

2шт.

32

S611-016001

O-RING

2шт.

33

S631-011004

O-RING

1шт.

34

S631-014004

O-RING

1шт.

35

S631-018004

O-RING

2шт.

42

S015-060552

BOLT-HEX

2шт.

43

S035-082052

BOLT-W/WASHER

2шт.

46

S037-122552

BOLT-W/WASHER

2шт.

48

S441-060002

WASHER-HARDENED

2шт.

50

P220-310103

PLUG-HEX

1шт.

51

P220-110104

PLUG-HEX

1шт.

Выбрано товаров: 0