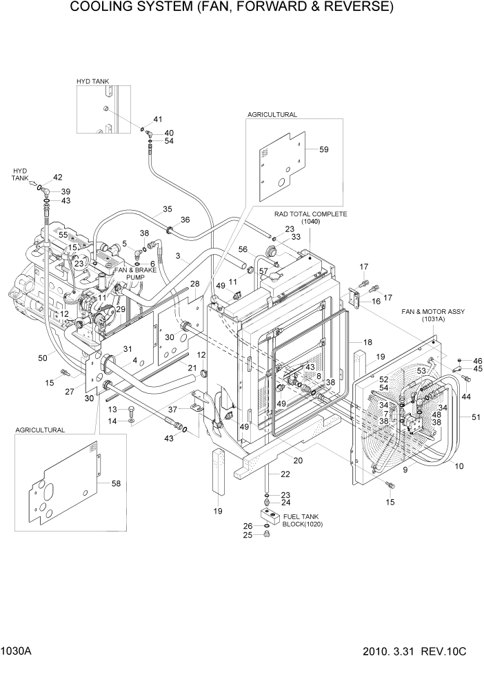
Запчасти Hyundai HL740-7A PAGE 1030A COOLING SYSTEM(FAN, FORWARD & REVERSE) СИСТЕМА ДВИГАТЕЛЯ

Схема запчастей Hyundai HL740-7A - PAGE 1030A COOLING SYSTEM(FAN, FORWARD & REVERSE) СИСТЕМА ДВИГАТЕЛЯ
FIT
1:1
100%

Артикул

Название

Примечание

Количество

3

11LF-30710

HOSE-RUBBER

1шт.

4

11LF-30720

HOSE-RUBBER

1шт.

5

11LF-30730

ELBOW-90

1шт.

6

S611-023001

O-RING

1шт.

7

11LC-30470

CONNECTOR-ORFS

1шт.

9

P910-084050

HOSE ASSY-ORFS 0X0

1шт.

10

P930-122026

HOSE ASSY-ORFS 0X90

1шт.

11

S572-600006

CLAMP-HOSE,WIRE TYPE

2шт.

12

S572-650006

CLAMP-HOSE,WIRE TYPE

2шт.

13

S017-16035D

BOLT-HEX

8шт.

14

S441-160006

WASHER-HARDENED

8шт.

15

S037-101556

BOLT-W/WASHER

11шт.

16

11LF-30222

HINGE ASSY

2шт.

17

S037-102556

BOLT-W/WASHER

10шт.

18

S771-034700

WEATHER STRIP

1шт.

19

11LF-30741

SPONGE

2шт.

20

11LF-30750

SPONGE

1шт.

21

S772-008000

WEATHER STRIP

#0294

1шт.

21

S771-008000

WEATHER STRIP

#0295

1шт.

22

P760-021088

HOSE-RUBBER

1шт.

23

S520-020000

CLAMP-HOSE

4шт.

24

P090-100808

CONNECTOR-HOSE

1шт.

25

P220-110104

PLUG-HEX

1шт.

26

S631-018001

O-RING

1шт.

27

11LF-30761

PLATE-SCREEN,LH

#0294

1шт.

28

11LF-30770

PLATE-SCREEN,RH

#0294

1шт.

29

S771-007300

WEATHER STRIP

1шт.

30

S681-460400

GROMMET

2шт.

31

S791-020034

GROMMET-PLATE

1шт.

33

14E7-01070

SIGHT GAUGE ASSY

1шт.

34

S611-016001

O-RING

2шт.

35

P760-011100

HOSE-RUBBER

1шт.

36

S681-290400

GROMMET

2шт.

37

11LB-30220

SHIM(1.0T)

8шт.

38

S621-014001

O-RING

2шт.

39

X520-110018

ELBOW-90,ORFS

#0391

1шт.

39

X520-110018

ELBOW-90,ORFS

#0392

2шт.

40

X520-110012

ELBOW-90,ORFS

1шт.

41

S631-014001

O-RING

1шт.

42

S631-029004

O-RING

#0391

1шт.

42

S631-029004

O-RING

#0392

3шт.

43

S621-018001

O-RING

4шт.

44

S035-082026

BOLT-W/WASHER

2шт.

45

11LB-30440

PLATE

1шт.

46

S681-130800

GROMMET

1шт.

48

31FQ-10050

ELBOW-90

1шт.

49

31EK-11130

COUPLING-SCREW

#0345

4шт.

50

P910-122038

HOSE ASSY-ORFS 0X0

1шт.

51

P910-042062

HOSE ASSY-ORFS 0X0

1шт.

52

31FG-10020

ELBOW-90

1шт.

53

S611-009001

O-RING

1шт.

54

S621-011001

O-RING

2шт.

55

31L7-10260

CLAMP-TUBE

1шт.

56

P760-033120

HOSE-RUBBER

1шт.

57

S572-320002

CLAMP-HOSE,WIRE TYPE

2шт.

58

11LF-30780

PLATE-SCREEN,LH

AGRICULTURAL #0004 - #0294

1шт.

58

11LF-30781

PLATE-SCREEN,LH

AGRICULTURAL #0295

1шт.

59

11LF-30790

PLATE-SCREEN,RH

AGRICULTURAL #0004 - #0294

1шт.

59

11LF-30791

PLATE-SCREEN,RH

AGRICULTURAL #0295

1шт.

60

X500-110019

CONNECTOR-ORFS

AGRICULTURAL #0392

1шт.

Выбрано товаров: 0