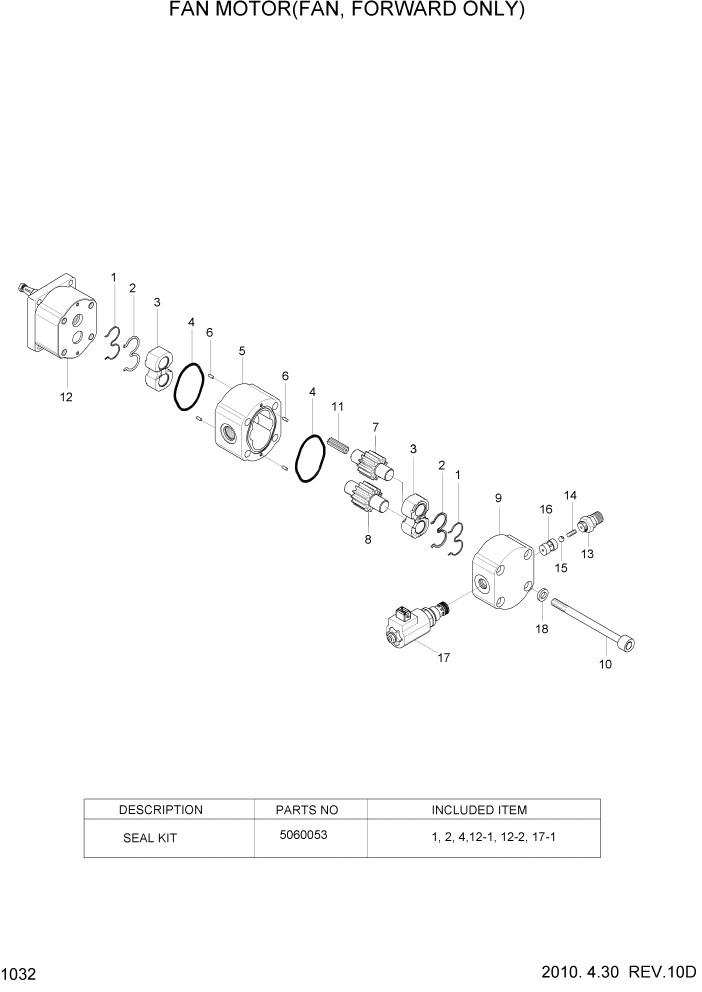
Запчасти Hyundai HL740-7A PAGE 1032 FAN MOTOR(FAN, FORWARD ONLY) СИСТЕМА ДВИГАТЕЛЯ

Схема запчастей Hyundai HL740-7A - PAGE 1032 FAN MOTOR(FAN, FORWARD ONLY) СИСТЕМА ДВИГАТЕЛЯ
FIT
1:1
100%

Артикул

Название

Примечание

Количество

*

11LG-30010

FAN MOTOR-ONE DIRECTION

#0383

1шт.

*

11LG-30011

FAN MOTOR-ONE DIRECTION

#0384

1шт.

NK1

5060003

RING-BACK UP

NOT

2шт.

NK2

5060002

SEAL

NOT

2шт.

3

@

BEARING BLOCK

NOT

2шт.

NK4

2120305

O-RING

NOT

2шт.

5

@

GEAR HOUSING

NOT

1шт.

6

@

DOWEL PIN

NOT

4шт.

7

@

DRIVE GEAR

NOT

1шт.

8

@

IDLER GEAR

NOT

1шт.

9

@

COVER

NOT

1шт.

10

@

BOLT

NOT

4шт.

11

@

COUPLING

NOT

1шт.

12

@

FRONT BEARING

NOT

1шт.

K12-1

20-103838

SHAFT SEAL I

NOT SHOWN

1шт.

K12-2

758403

SHAFT SEAL II

NOT SHOWN

1шт.

13

@

COUPLING-MEASURING

NOT

1шт.

14

@

SPRING

NOT

1шт.

15

@

BALL

NOT

1шт.

16

@

VALVE SEAT

NOT

1шт.

17

5030338

RELIEF VALVE CARTRIDGE

1шт.

K17-1

20-103836

SEAL KIT

NOT SHOWN

1шт.

K

5060053

SEAL KIT

SEE ILLUST

1шт.

Выбрано товаров: 0