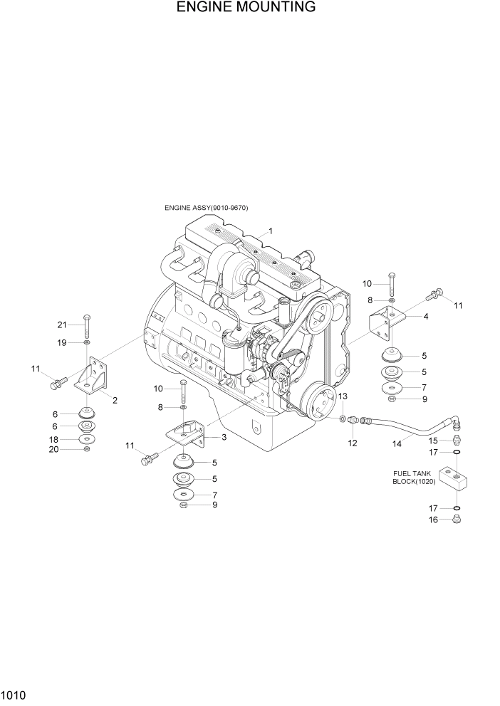
Запчасти Hyundai HL740TM-7 PAGE 1010 ENGINE MOUNTING СИСТЕМА ДВИГАТЕЛЯ

Схема запчастей Hyundai HL740TM-7 - PAGE 1010 ENGINE MOUNTING СИСТЕМА ДВИГАТЕЛЯ
FIT
1:1
100%

Артикул

Название

Примечание

Количество

1

11LF-00010

ENGINE ASSY

1шт.

2

11LF-00030

BRACKET WA

2шт.

3

11LD-00110

BRACKET WA-LH

1шт.

4

11LD-00120

BRACKET WA-RH

1шт.

5

11N6-10450

RUBBER-MOUNT

4шт.

6

11N6-08255

RUBBER-MOUNT

4шт.

7

11L7-00170

WASHER-REBOUND

2шт.

8

S441-200002

WASHER-HARDENED

2шт.

9

S207-201002

NUT-HEX

2шт.

10

S017-201302

BOLT-HEX

2шт.

11

S037-123552

BOLT-W/WASHER

14шт.

12

P010-220008

CONNECTOR

1шт.

13

P392-180000

WASHER-COPPER

1шт.

14

11LF-00021

HOSE ASSY

1шт.

15

P010-110004

CONNECTOR

1шт.

16

P220-110104

PLUG-HEX

1шт.

17

S631-018001

O-RING

2шт.

18

11L8-00260

WASHER-REBOUND

2шт.

19

S441-160002

WASHER-HARDENED

2шт.

20

S205-161002

NUT-HEX

2шт.

21

S017-161302

BOLT-HEX

2шт.

Выбрано товаров: 21