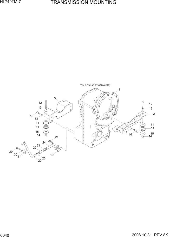
Запчасти Hyundai HL740TM-7 PAGE 6040 TRANSMISSION MOUNTING СИЛОВАЯ СИСТЕМА

Схема запчастей Hyundai HL740TM-7 - PAGE 6040 TRANSMISSION MOUNTING СИЛОВАЯ СИСТЕМА
FIT
1:1
100%

Артикул

Название

Примечание

Количество

1

81LF-60070

T/M & T/C ASSY

#0432

1шт.

1

81LF-60071

T/M & T/C ASSY

#0433

1шт.

2

81LF-60010

BRACKET WA

1шт.

3

81LF-60020

BRACKET WA

1шт.

11

11N6-10450

RUBBER-MOUNT

8шт.

12

S017-201302

BOLT-HEX

4шт.

13

S441-200002

WASHER-HARDENED

8шт.

14

S205-201002

NUT-HEX

4шт.

15

11L7-00170

WASHER-MOUNT

4шт.

16

S017-160352

BOLT-HEX

4шт.

17

S441-160002

WASHER-HARDENED

4шт.

18

S017-200352

BOLT-HEX

#0337

4шт.

18

S017-20040D

BOLT-HEX

#0338

4шт.

19

12L2-0013

GASKET

1шт.

20

81LF-60040

PIPE WA

1шт.

21

S035-082522

BOLT-W/WASHER

2шт.

22

P760-043010

HOSE-RUBBER

1шт.

23

S572-380002

CLAMP-HOSE,WIRE TYPE

2шт.

24

81LF-60050

PIPE WA

1шт.

29

S017-100502

BOLT-HEX

2шт.

30

S441-100002

WASHER-HARDENED

1шт.

31

81LF-60060

CLAMP-PIPE

1шт.

Выбрано товаров: 0