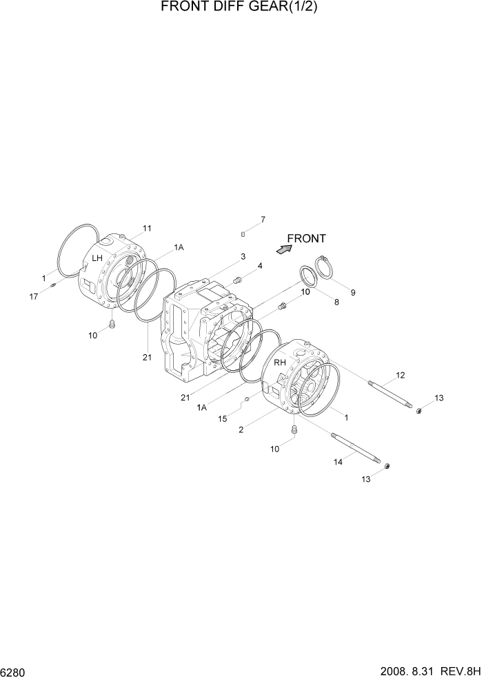
Запчасти Hyundai HL740TM-7 PAGE 6280 FRONT DIFF GEAR(1/2) СИЛОВАЯ СИСТЕМА

Схема запчастей Hyundai HL740TM-7 - PAGE 6280 FRONT DIFF GEAR(1/2) СИЛОВАЯ СИСТЕМА
FIT
1:1
100%

Артикул

Название

Примечание

Количество

1

ZTAM-00068

O-RING

2шт.

0-04166666

ZTAM-00068

O-RING

#0001

2шт.

2

ZTAM-00119

COVER-INTERMEDIATE

RH

1шт.

3

ZTAM-00120

HOUSING

1шт.

4

ZTAM-00121

PLUG

4шт.

7

ZTAM-00122

BOLT

2шт.

8

ZTAM-00123

PLUG

1шт.

9

ZTAM-00265

RING-SNAP

1шт.

10

ZTAM-00125

PLUG-MAGNET

3шт.

11

ZTAM-00126

COVER-INTERMEDIATE

LH

1шт.

12

ZTAM-00127

BOLT

28шт.

13

ZTAM-00128

NUT

32шт.

14

ZTAM-00129

STUD

4шт.

15

ZTAM-00237

PLUG

1шт.

17

ZTAM-00131

VENT

1шт.

21

ZTAM-00132

O-RING

2шт.

Выбрано товаров: 0