Запчасти Hyundai HL740TM-7 PAGE 8020 DECALS(KOREAN, ROUND COWL TYPE) ДРУГИЕ ЧАСТИ

Схема запчастей Hyundai HL740TM-7 - PAGE 8020 DECALS(KOREAN, ROUND COWL TYPE) ДРУГИЕ ЧАСТИ
FIT
1:1
100%

Артикул

Название

Примечание

Количество

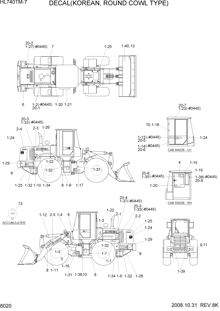
1

91LF-06303

DECAL KIT(A)-TM

#0081 - #0445

1шт.

1

91LF-06304

DECAL KIT(A)-TM

#0446

1шт.

1-1

91LB-01110

DECAL-START MOTOR

1шт.

1-2

91N6-01111

TURBO COVER

#0445

2шт.

1-2

91N6-01111

TURBO CHARGER COVER

2шт.

1-3

91LB-06130

DECAL-HYD OIL LEVEL

1шт.

R1-4

91LB-06140

SHUT OFF VALVE

RIDE CONTROL

1шт.

1-5

91LB-07150

GREASE(A)

1шт.

1-7

91LB-06170

GREASE(C)

1шт.

1-8

91LB-06180

GREASE(D)

1шт.

1-9

91LB-01190

DECAL-DRAIN/REMOTE

1шт.

1-1

91LB-01200

DRAIN/REMOTE

1шт.

1-11

91LB-01210

DECAL-BUCKET STOPPER

2шт.

1-12

91LB-01220

DECAL-QUICK COUPLER

2шт.

1-13

91LB-01230

DECAL-MAX H/REACH

#0445

1шт.

1-14

91LB-01240

DECAL-ROLL OVER

#0445

1шт.

1-15

91LB-06250

DECAL-ROPS CABIN

1шт.

1-16

91LB-01260

DECAL-STEER WARN/LH

1шт.

1-17

91LB-01270

DECAL-STEER WARN/RH

1шт.

1-18

91LB-01280

ROPS PLATE

1шт.

1-19

91LB-06290

DECAL-REFER MANUAL

1шт.

1-2

91LF-02300

DECAL-C/IDEOGRAM

1-LEVER RCV

1шт.

1-2

91LF-02310

DECAL-C/IDEOGRAM

2-LEVER RCV

1шт.

1-21

91LF-01320

DECAL-AIRCON FILTER

1шт.

1-23

91LB-01340

DECAL-HAMMER

#0445

1шт.

1-24

91E1-18080

DECAL-PUBLIC PERMIT

EUROPE

2шт.

1-25

94L3-00420

SLINGING IDEOGRAM

4шт.

1-26

91N6-01102

AIR CLEANER FILTER

1шт.

1-27

91N6-01121

DECAL-RADIATOR CAP

#0445

1шт.

1-28

91N6-01130

FUELING

1шт.

1-29

91N6-02120

DECAL-BATT ACCIDENT

2шт.

1-3

91N6-03111

HYD OIL LUBR

1шт.

1-31

91N6-03130

DECAL-H/PRESSURE HOSE

2шт.

1-32

91N6-03140

FALLING

4шт.

1-33

91N6-07112

STAY FIX

#0445

2шт.

1-34

91N6-07121

SHEARING

2шт.

1-35

91N6-07261

ALTERNATE EXIT

#0445

1шт.

1-36

91E1-14110

NAME PLATE

#0445

1шт.

1-37

91E1-27110

LOW EMISSION ENG

1шт.

1-38

91N6-07290

DECAL-FIRE

#0445

1шт.

1-39

91LB-01400

DECAL-K/CLEAR/REFLECT

2шт.

2

91LF-11303

DECAL KIT(B)-TM

1шт.

2-1

91LF-11311

MODEL NAME-LH/FRONT

1шт.

2-2

91LF-12110

MODEL NAME-LH/RR

1шт.

2-3

91LF-11321

MODEL NAME-RH/FRONT

1шт.

2-4

91LF-12120

MODEL NAME-RH/RR

1шт.

2-5

91LF-21070

DECAL-T/MARK-BM/CWT

#0405

2шт.

2-5

91N6-26110

DECAL-HYUNDAI LOGO

#0406

2шт.

2-6

91N6-21040

TRADE MARK-BOOM/CWT

1шт.

3

91LF-17330

SERVICE INSTRUCTION

#0445

1шт.

3

91LF-17331

SERVICE INSTRUCTION

#0446

1шт.

4

91LF-16340

SPEC SHEET

1шт.

5

91N4-27300

DECAL-OVERALL WIDTH

2шт.

6

91E1-26300

STEP TREAD

A/S ITEM

2шт.

7

91E1-26300

STEP TREAD

FULL MUD GUARD #0438

2шт.

8

21EK-10150

REFLECTOR-SIDE

6шт.

9

51EK-52990

REFLECTOR-REAR

2шт.

10

E171-1246

RIVET

8шт.

11

S401-052002

WASHER-PLAIN

2шт.

12

91LB-01330

DECAL-ECM

2шт.

13

91N6-03200

DECAL-ACCUMULATER

#0419

4шт.

R13

91N6-03200

DECAL-ACCUMULATER

RIDE CONTROL #0419

9шт.

20

92LB-00080

DECAL KIT-A/S

#0001

1шт.

20-1

91N6-01111

TURBO COVER

2шт.

20-2

91N6-01121

DECAL-RADIATOR CAP

1шт.

20-3

91N6-07112

STAY FIX

2шт.

20-4

91E1-27110

LOW EMISSION ENG

1шт.

20-5

91LB-01230

DECAL-MAX H/REACH

1шт.

20-6

91LB-01240

DECAL-ROLL OVER

1шт.

20-7

91LB-01340

DECAL-HAMMER

1шт.

20-8

91N6-07261

ALTERNATE EXIT

1шт.

20-9

91N6-07290

DECAL-FIRE

1шт.

Выбрано товаров: 72