Запчасти Hyundai HL740TM-7A PAGE 6040 TRANSMISSION MOUNTING СИЛОВАЯ СИСТЕМА

Схема запчастей Hyundai HL740TM-7A - PAGE 6040 TRANSMISSION MOUNTING СИЛОВАЯ СИСТЕМА
FIT
1:1
100%

Артикул

Название

Примечание

Количество

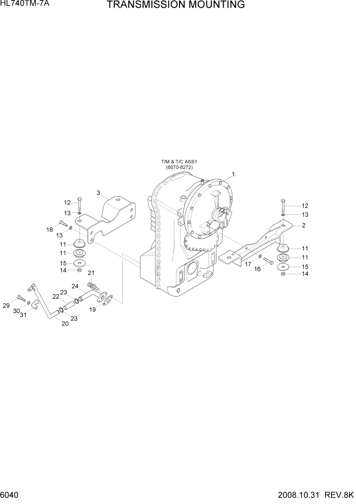
1

81LF-01100

T/M & T/C ASSY

#0079

1шт.

1

81LF-01101

T/M & T/C ASSY

#0080

1шт.

2

81LF-60010

BRACKET WA

1шт.

3

81LF-60020

BRACKET WA

1шт.

11

11N6-10450

RUBBER-MOUNT

8шт.

12

S017-20130D

BOLT-HEX

4шт.

13

S441-200006

WASHER-HARDENED

8шт.

14

S205-201006

NUT-HEX

4шт.

15

11L7-00170

WASHER-MOUNT

4шт.

16

S017-16035D

BOLT-HEX

4шт.

17

S441-160006

WASHER-HARDENED

4шт.

18

S017-20040D

BOLT-HEX

4шт.

19

12L2-0013

GASKET

1шт.

20

81LF-60041

PIPE WA

1шт.

21

S035-082546

BOLT-W/WASHER

2шт.

22

P760-042010

HOSE-RUBBER LOW

1шт.

23

S572-430006

CLAMP-HOSE,WIRE TYPE

2шт.

24

81LF-60050

PIPE WA

1шт.

29

S017-100506

BOLT-HEX

1шт.

30

S441-100006

WASHER-HARDENED

1шт.

31

81LF-60060

CLAMP-PIPE

1шт.

22

P760-042010

HOSE-RUBBER LOW

1шт.

23

S572-430006

CLAMP-HOSE WIRE TYPE

2шт.

24

81LF-60050

PIPE WA

1шт.

29

S017-100506

BOLT-HEX

1шт.

30

S441-100006

WASHER-HARDENED

1шт.

31

81LF-60060

CLAMP-PIPE

1шт.

Выбрано товаров: 27