Запчасти Hyundai HL740TM-7A PAGE 1110 HEATER MOUNTING СИСТЕМА ДВИГАТЕЛЯ

Схема запчастей Hyundai HL740TM-7A - PAGE 1110 HEATER MOUNTING СИСТЕМА ДВИГАТЕЛЯ
FIT
1:1
100%

Артикул

Название

Примечание

Количество

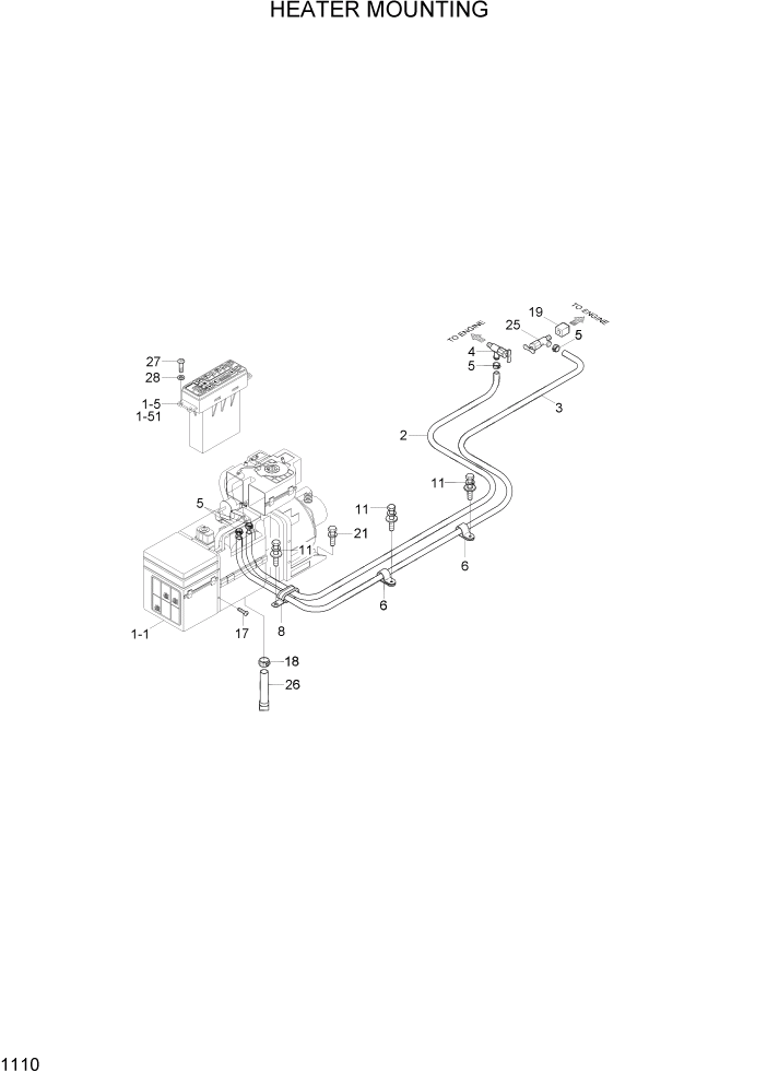
1

11LF-91031

HEATER ASSY

1шт.

1-1

@

HEATER UNIT

NOT

1шт.

1-5

11LF-90112

CONTROL ASSY

1шт.

2

11LC-90100

HOSE-HEATER

1шт.

3

11LC-90090

HOSE-HEATER RETURN

1шт.

4

11L7-90150

VALVE-HEATER

1шт.

5

S520-027000

CLAMP-HOSE

4шт.

6

S542-240002

CLAMP-TUBE

2шт.

11

S035-081526

BOLT-W/WASHER

3шт.

17

S151-040126

SCREW-TAPPING

4шт.

18

S520-020000

CLAMP-HOSE

1шт.

19

11LC-90150

BLOCK

1шт.

21

S037-122056

BOLT-W/WASHER

4шт.

25

14L1-01350

VALVE-HEATER

1шт.

26

11EK-92130

HOSE-DRAIN

1шт.

27

S161-050166

SCREW-CROSS R/ROUND

4шт.

28

S403-05200B

WASHER-PLAIN

4шт.

Выбрано товаров: 17