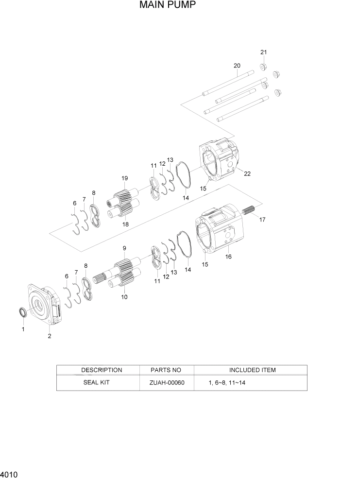
Запчасти Hyundai HL740TM-7A PAGE 4010 MAIN PUMP ГИДРАВЛИЧЕСКИЕ КОМПОНЕНТЫ

Схема запчастей Hyundai HL740TM-7A - PAGE 4010 MAIN PUMP ГИДРАВЛИЧЕСКИЕ КОМПОНЕНТЫ
FIT
1:1
100%

Артикул

Название

Примечание

Количество

*

31LF-00400

MAIN PUMP

1шт.

K1

@

SHAFT SEAL-VITON

NOT

1шт.

2

@

ADAPTER

NOT

1шт.

K6

@

SEAL-BACK UP

NOT

2шт.

K7

@

SEAL/O-RING

NOT

2шт.

K8

@

WEARPLATE

NOT

2шт.

9

@

DRIVE GEAR-FRONT

NOT

1шт.

10

@

DRIVEN GEAR-FRONT

NOT

1шт.

K11

@

WEARPLATE

NOT

2шт.

K12

@

SEAL/O-RING

NOT

2шт.

K13

@

SEAL-BACK UP

NOT

2шт.

K14

@

SEAL-INTERFACE

NOT

2шт.

15

@

DOWEL

NOT

4шт.

16

@

BODY-FRONT

NOT

1шт.

17

@

COUPLING-SPLINE

NOT

1шт.

18

@

DRIVEN GEAR-REAR

NOT

1шт.

19

@

DRIVE GEAR-REAR

NOT

1шт.

20

@

STUD

NOT

4шт.

21

@

NUT-FLANGED

NOT

4шт.

22

@

BODY-REAR

NOT

1шт.

K

ZUAH-00060

SEAL KIT(1,6-8,11-14)

SEE ILLUST

1шт.

Выбрано товаров: 21