Запчасти Hyundai HL757-7 PAGE 6150 CLUTCH(K3) СИЛОВАЯ СИСТЕМА

Схема запчастей Hyundai HL757-7 - PAGE 6150 CLUTCH(K3) СИЛОВАЯ СИСТЕМА
FIT
1:1
100%

Артикул

Название

Примечание

Количество

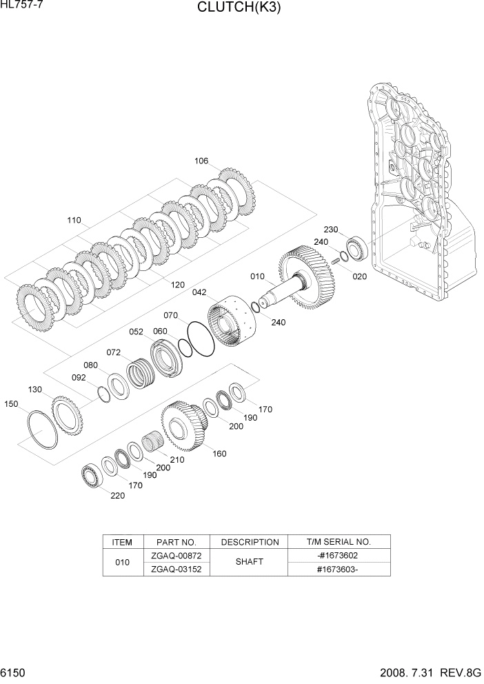
10

ZGAQ-00872

SHAFT

SEE ILLUST

1шт.

10

ZGAQ-03152

SHAFT

SEE ILLUST

1шт.

40

ZGAQ-01921

COUPLING

#0001

1шт.

20

ZGAQ-00811

STUD

1шт.

40

ZGAQ-01921

COUPLING

#0001 - #1425

1шт.

40

ZGAQ-02850

COUPLING

#1426

1шт.

42

ZGAQ-00848

CARRIER-DISC

#1425

1шт.

42

ZGAQ-02849

CARRIER-DISC

#1426

1шт.

52

ZGAQ-00849

PISTON

1шт.

60

ZGAQ-00814

O-RING

1шт.

70

ZGAQ-00850

O-RING

1шт.

72

ZGAQ-00816

SPRING-CUP

7шт.

80

ZGAQ-00817

RING-RETAINING

#1425

1шт.

92

ZGAQ-00818

RING-SNAP

#1425

1шт.

92

ZGAQ-02829

L-RING

#1426

1шт.

106

ZGAQ-01508

DISC-CLUTCH OUTER

1шт.

110

ZGAQ-01509

DISC

7шт.

120

ZGAQ-00853

DISC-CLUTCH,INNER

7шт.

130

ZGAQ-00854

SHIM-END

1шт.

150

ZGAQ-00855

RING-SNAP(2.1)

1шт.

150

ZGAQ-00856

RING-SNAP(2.25)

1шт.

150

ZGAQ-00857

RING-SNAP(2.4)

1шт.

150

ZGAQ-00858

RING-SNAP(2.55)

1шт.

150

ZGAQ-00859

RING-SNAP(2.7)

1шт.

150

ZGAQ-00860

RING-SNAP(2.85)

1шт.

150

ZGAQ-00861

RING-SNAP(3.00)

1шт.

150

ZGAQ-00862

RING-SNAP(3.15)

1шт.

150

ZGAQ-00863

RING-SNAP(3.30)

1шт.

150

ZGAQ-00864

RING-SNAP(3.45)

1шт.

150

ZGAQ-00865

RING-SNAP(3.60)

1шт.

150

ZGAQ-00866

RING-SNAP(3.75)

1шт.

150

ZGAQ-00867

RING-SNAP(3.90)

1шт.

150

ZGAQ-00868

RING-SNAP(4.05)

1шт.

150

ZGAQ-00869

RING-SNAP(4.20)

1шт.

160

ZGAQ-00873

IDLER

1шт.

170

ZGAQ-00824

DISC-RUNNING

2шт.

190

ZGAQ-00825

CAGE-AXIAL NEEDLE

2шт.

200

ZGAQ-00826

WASHER-AXIAL

2шт.

210

ZGAQ-01412

CAGE-NEEDLE

1шт.

220

ZGAQ-00830

BEARING-ROLLER

1шт.

230

ZGAQ-00829

BEARING-ROLLER

1шт.

240

ZGAQ-00831

RING-PISTON

2шт.

Выбрано товаров: 42