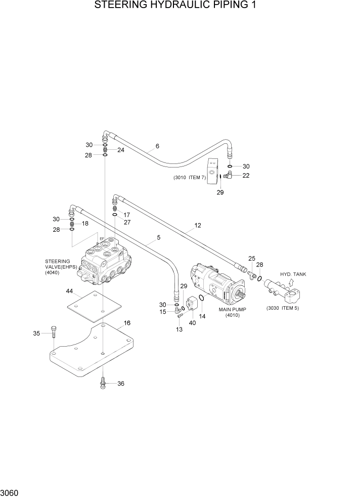
Запчасти Hyundai HL757-7 PAGE 3060 STEERING HYDRAULIC PIPING 1 ГИДРАВЛИЧЕСКАЯ СИСТЕМА

Схема запчастей Hyundai HL757-7 - PAGE 3060 STEERING HYDRAULIC PIPING 1 ГИДРАВЛИЧЕСКАЯ СИСТЕМА
FIT
1:1
100%

Артикул

Название

Примечание

Количество

5

P930-124012

HOSE ASSY

1шт.

6

P930-124016

HOSE ASSY

1шт.

12

P620-082015

HOSE ASSY-THD 0X90

1шт.

13

S109-100506

BOLT-SOCKET

4шт.

14

Y171-024004

O-RING

1шт.

15

X520-110018

ELBOW-90,ORFS

1шт.

16

31LD-30051

PLATE

1шт.

17

P010-110004

CONNECTOR

1шт.

18

X511-112543

CONNECTOR-LONG,ORFS

1шт.

22

X520-110018

ELBOW-90,ORFS

1шт.

24

X500-110004

CONNECTOR-ORFS

1шт.

25

P320-120808

TEE-RUN TYPE

1шт.

27

S631-018004

O-RING

1шт.

28

S631-024004

O-RING

3шт.

29

S631-029004

O-RING

2шт.

30

S621-018001

O-RING

4шт.

35

S037-123552

BOLT-W/WASHER HEX

4шт.

36

S035-082052

BOLT-W/WASHER HEX

3шт.

40

34L3-02510

BLOCK

1шт.

44

31LC-30060

PLATE-RUBBER

1шт.

Выбрано товаров: 0