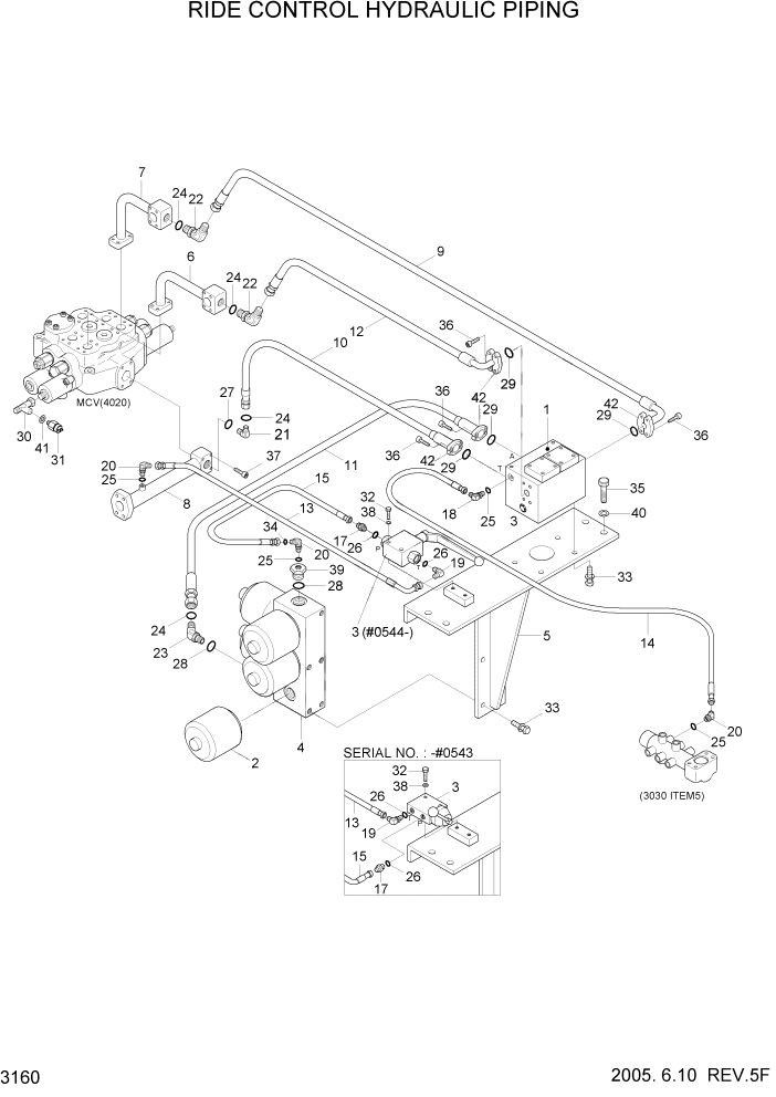
Запчасти Hyundai HL757-7 PAGE 3160 RIDE CONTROL HYDRAULIC PIPING ГИДРАВЛИЧЕСКАЯ СИСТЕМА

Схема запчастей Hyundai HL757-7 - PAGE 3160 RIDE CONTROL HYDRAULIC PIPING ГИДРАВЛИЧЕСКАЯ СИСТЕМА
FIT
1:1
100%

Артикул

Название

Примечание

Количество

*

30LD-95000

RIDE CONTROL KIT

#0394

1шт.

*

30LD-95010

RIDE CONTROL KIT

#0395 - #0543

1шт.

*

30LD-95020

RIDE CONTROL KIT

#0544

1шт.

1

@

RIDE CONTROL VALVE

NOT

1шт.

2

34L1-02530

ACCUMULATOR

6шт.

3

31L7-10010

SAFETY VALVE

SEE 4120 #0543

1шт.

3

31LB-90250

SAFETY VALVE

#0544

1шт.

4

34L3-02082

BLOCK

1шт.

5

31LD-90100

PLATE WA

#0543

1шт.

5

31LC-90210

PLATE WA

#0544

1шт.

6

31LD-90111

PIPE WA

1шт.

7

31LD-90121

PIPE WA

1шт.

8

31LD-90130

PIPE WA

1шт.

9

P980-124313

HOSE ASSY-ORFSXFLG

1шт.

10

P970-122314

HOSE ASSY-ORFSXFLG

1шт.

11

P940-124314

HOSE ASSY-ORFSXFLG

1шт.

12

P980-124311

HOSE ASSY-ORFSXFLG

1шт.

13

P600-042015

HOSE ASSY-THD 0X0

#0543

1шт.

13

P620-042017

HOSE ASSY-THD 0X90

#0544

1шт.

14

P600-042058

HOSE ASSY-THD

1шт.

15

P620-044008

HOSE ASSY-THD 0X90

#0543

1шт.

15

P600-044008

HOSE ASSY-THD

#0544

1шт.

16

P700-202331

HOSE ASSY

#0395

1шт.

17

P010-110013

CONNECTOR

1шт.

18

P020-110001

ELBOW-90

1шт.

19

P020-110012

ELBOW-90

1шт.

20

P030-110001

ELBOW-45

3шт.

21

X520-110004

ELBOW-90,ORFS

1шт.

22

X530-110004

ELBOW-45,ORFS

2шт.

23

X530-110018

ELBOW-45,ORFS

1шт.

24

S621-018001

O-RING,ORFS 1.3/16-12UNF

4шт.

25

S631-011004

O-RING PF1/4

4шт.

26

S631-014004

O-RING PF3/8

2шт.

27

S631-024004

O-RING PF3/4

3шт.

28

S631-029004

O-RING PF1

2шт.

29

Y171-019004

O-RING

4шт.

30

34L1-02461

TEE

1шт.

31

31L7-90030

SWITCH-PRESSURE

RIDE CONTROL

1шт.

32

S017-080452

BOLT-HEX

2шт.

33

S037-102552

BOLT-W/WASHER

10шт.

35

S017-160352

BOLT-HEX

4шт.

36

S109-100306

BOLT-SOCKET

16шт.

37

S109-100606

BOLT-SOCKET

4шт.

38

S441-080002

WASHER-HARDENED

2шт.

39

34L1-02570

PLUG

1шт.

40

S441-160002

WASHER-HARDENED

4шт.

41

P392-120000

WASHER-COPPER

1шт.

42

P173-120102

FLANGE-SPLIT

8шт.

43

Y171-027004

O-RING

#0395

1шт.

R1-4

@

DECAL-SHUT OFF VALVE

NOT

1шт.

R6

@

HARNESS-RIDE CONTROL

NOT

1шт.

R17

@

RELAY-4P

NOT

1шт.

R24

@

SWITCH-RIDE CONTROL

NOT

1шт.

Выбрано товаров: 53