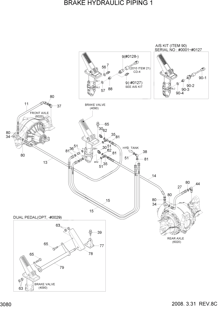
Запчасти Hyundai HL757-7A PAGE 3080 BRAKE HYDRAULIC PIPING 1 ГИДРАВЛИЧЕСКАЯ СИСТЕМА

Схема запчастей Hyundai HL757-7A - PAGE 3080 BRAKE HYDRAULIC PIPING 1 ГИДРАВЛИЧЕСКАЯ СИСТЕМА
FIT
1:1
100%

Артикул

Название

Примечание

Количество

7

31LB-40170

SWITCH-PRESSURE

CLUTCH CUT OFF

1шт.

N9

@

SWITCH-PRESSURE

NOT #0127

1шт.

9

31Q4-40560

SWITCH-PRESSURE

SERVICE BRAKE #0128

1шт.

11

P920-063012

HOSE ASSY-ORFS 0X45

1шт.

13

P910-063066

HOSE ASSY-ORFS 0X0

1шт.

14

P920-063044

HOSE ASSY-ORFS 0X45

1шт.

15

P930-062050

HOSE ASSY-ORFS 0X90

2шт.

27

P930-063011

HOSE ASSY-ORFS 0X90

1шт.

30

31EK-11130

COUPLING-SCREW

2шт.

34

31LD-40270

TEE

4шт.

35

31LB-40340

TEE

2шт.

36

X500-110002

CONNECTOR-ORFS

2шт.

37

X530-210004

ELBOW-45,ORFS

1шт.

38

X520-110002

ELBOW-90,ORFS

2шт.

39

S037-102056

BOLT W/WASHER-HEX

DUAL PEDAL #0029

2шт.

44

31N6-41080

ELBOW-90,ORFS,LONG

1шт.

51

S631-014004

O-RING

6шт.

56

P391-040000

WASHER-COPPER

1шт.

57

P392-120000

WASHER-COPPER

1шт.

62

S631-011004

O-RING

3шт.

63

S201-081006

NUT-HEX

DUAL PEDAL #0029

4шт.

65

S035-082556

BOLT-W/WASHER

4шт.

65

S035-082556

BOLT-W/WASHER

DUAL PEDAL #0029

2шт.

77

31LH-40071

BRACKET ASSY

DUAL PEDAL #0029

1шт.

78

31LH-40051

PEDAL ASSY-RH

DUAL PEDAL #0029

1шт.

79

31LH-40060

LINK WA

DUAL PEDAL #0029

1шт.

80

S621-011001

O-RING

6шт.

81

S621-012001

O-RING

4шт.

88

31LG-40050

ADAPTER

1шт.

90

21LB-51700

KIT-STOP LAMP PRESSURE

FOR A/S #0001 - #0127

1шт.

90-1

21LB-51600

HARNESS-EXT

1шт.

90-2

81FH-47120

SWITCH-PRESSURE

1шт.

90-3

31LG-40070

ADAPTER

1шт.

90-4

P392-120000

WASHER-COPPER

1шт.

N

@

AR

NOT

Выбрано товаров: 35