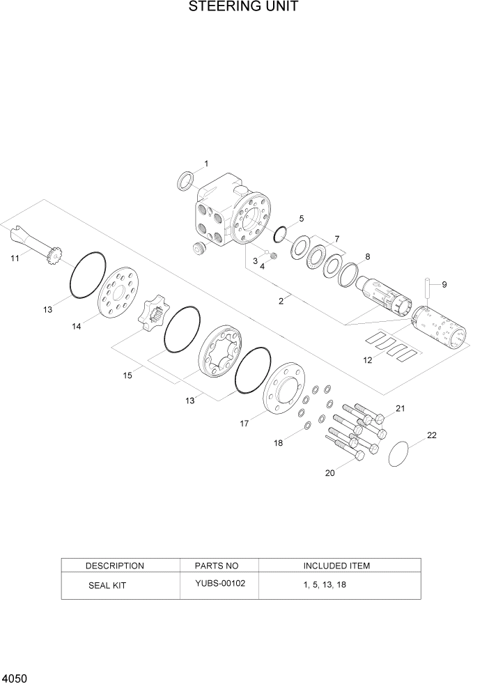
Запчасти Hyundai HL757-7A PAGE 4050 STEERING UNIT ГИДРАВЛИЧЕСКИЕ КОМПОНЕНТЫ

Схема запчастей Hyundai HL757-7A - PAGE 4050 STEERING UNIT ГИДРАВЛИЧЕСКИЕ КОМПОНЕНТЫ
FIT
1:1
100%

Артикул

Название

Примечание

Количество

*

31LD-30010

STEERING UNIT

1шт.

K1

YUBS-00001

SEAL-DUST

633B9002

1шт.

2

@

HSG SPOOL/SLEEVE

NOT

1шт.

3

YUBS-00002

BALL

689X1031

1шт.

4

YUBS-00003

BUSHING-THREAD

150.0304

1шт.

K5

YUBS-00004

O-RING

150N4014

1шт.

7

YUBS-00005

BEARING ASSY

150.4262

1шт.

8

YUBS-00006

RING

150.031

1шт.

9

YUBS-00007

PIN-CROSS

150.0305

1шт.

11

YUBS-00008

SHAFT-CARDAN

150.0844

1шт.

12

YUBS-00107

SET OF SPRINGS

1шт.

K13

YUBS-00010

O-RING

633B1202

3шт.

14

YUBS-00011

PLATE-DISTRIBUTOR

150N0610

1шт.

15

150-4172

WHEEL SET-GEAR

1шт.

17

YUBS-00014

COVER-END

150.0328

1шт.

K18

YUBS-00015

WASHER

684X2481

7шт.

20

150-0321

SCREW & BORE

1шт.

21

YUBS-00110

SCREW

6шт.

22

150A6009

PLATE-NAME

1шт.

K

YUBS-00102

SEAL KIT

SEE ILLUST

1шт.

Выбрано товаров: 0