Запчасти Hyundai HL757TM7 PAGE 6021 FRONT & REAR AXLE MOUNTING(#0115-, ZF) СИЛОВАЯ СИСТЕМА

Схема запчастей Hyundai HL757TM7 - PAGE 6021 FRONT & REAR AXLE MOUNTING(#0115-, ZF) СИЛОВАЯ СИСТЕМА
FIT
1:1
100%

Артикул

Название

Примечание

Количество

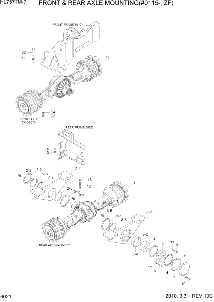
1

81LD-20130

REAR AXLE ASSY

#0115

1шт.

2

81LD-20301

SUPPORT ASSY-FRONT

#0125

1шт.

2

81LD-20302

SUPPORT ASSY-FRONT

#0126

1шт.

2-1

81LD-20312

SUPPORT WA-FRONT

#0125

1шт.

2-1

81LD-20313

SUPPORT WA-FRONT

#0126

1шт.

2-2

81LC-20120

COVER

1шт.

2-3

81LC-20130

SEAL-DUST

2шт.

2-4

81LC-20140

BUSHING

1шт.

2-5

S037-102556

BOLT-W/WASHER

12шт.

2-6

81LD-20340

COVER

1шт.

2-7

S035-081556

BOLT-W/WASHER

6шт.

3

81LD-20201

SUPPORT ASSY-REAR

#0125

1шт.

3

81LD-20202

SUPPORT ASSY-REAR

#0126

1шт.

3-1

81LD-20212

SUPPORT WA-REAR

#0125

1шт.

3-1

81LD-20213

SUPPORT WA-REAR

#0126

1шт.

3-2

81LD-20280

SHAFT

1шт.

3-3

81LD-20320

SEAL-DUST(DKIY TYPE)

1шт.

3-4

81LD-20140

BUSHING

1шт.

3-5

81LD-20330

COVER

1шт.

3-6

S035-081556

BOLT-W/WASHER

6шт.

4

81LD-20240

WASHER-THRUST

2шт.

5

81LD-20250

DISC

1шт.

6

81LD-20260

COVER

1шт.

7

81LD-20270

SHIM

2шт.

8

S017-16115D

BOLT-HEX

4шт.

9

S017-16100D

BOLT-HEX

4шт.

10

S017-16050D

BOLT-HEX

8шт.

11

S441-160006

WASHER-HARDENED

16шт.

12

S018-27100D

BOLT-HEX

8шт.

13

S441-270006

WASHER-HARDENED

16шт.

14

S206-271006

NUT-HEX

8шт.

21

81LD-10040

FRONT AXLE ASSY

1шт.

22

S018-27135D

BOLT-HEX

8шт.

23

S206-271006

NUT-HEX

8шт.

24

S441-270006

WASHER-HARDENED

16шт.

Выбрано товаров: 35