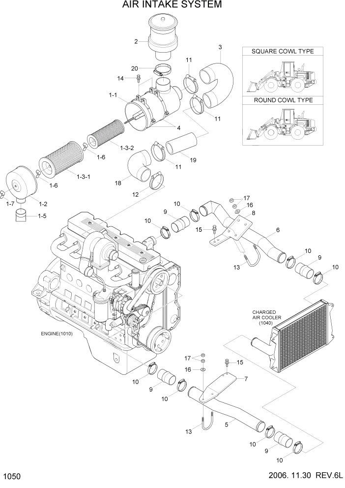
Запчасти Hyundai HL757TM7 PAGE 1050 AIR INTAKE SYSTEM СИСТЕМА ДВИГАТЕЛЯ

Схема запчастей Hyundai HL757TM7 - PAGE 1050 AIR INTAKE SYSTEM СИСТЕМА ДВИГАТЕЛЯ
FIT
1:1
100%

Артикул

Название

Примечание

Количество

1

11LD-40010

AIR CLEANER ASSY

1шт.

1-1

11LD-40020

HOUSING-AIR CLEANER

1шт.

1-2

11N6-20120

CAP-AIR CLEANER

#0064

1шт.

1-2

11LD-40180

CAP-AIR CLEANER

#0065

1шт.

1-3

11EM-T000-A

ELEMENT SET-A/CLEAN

#0001

1шт.

1-3-1

11EM-21041

ELEMENT-PRIMARY

#0001

1шт.

1-3-2

11EM-21051

ELEMENT-SAFETY

#0001

1шт.

1-5

E211-2105

VALVE-VACUUM

1шт.

1-6

11EM-21060

NUT-WING

2шт.

1-7

11EM-21070

NUT-WING

1шт.

2

11N8-20180

PRECLEANER

#0019

1шт.

2

11N8-20181

PRECLEANER

#0020

1шт.

3

11LD-40130

HOSE-AIR CLEANER

#0029

1шт.

3

11LD-40131

HOSE-AIR CLEANER

#0030

1шт.

4

14EA-23060

CLAMP-BAND

2шт.

5

11LD-40040

PIPE

1шт.

6

11LD-40053

PIPE WA

1шт.

7

11LD-40061

BRACKET

1шт.

8

11LD-40073

BRACKET

1шт.

9

11LD-40080

HOSE-CHARGED AIR

4шт.

10

11LD-40090

CLAMP-T/RETENTION

8шт.

11

14E7-01120

CLAMP-HOSE

#0029

3шт.

11

11LB-40190

CLAMP-HOSE

#0030

3шт.

12

11E6-21240

CLAMP-HOSE

#0029

1шт.

12

11LB-40180

CLAMP-HOSE

#0030 - #0064

1шт.

12

11LB-40310

CLAMP-T/BOLT

#0065

1шт.

13

11LD-40101

U-BOLT

4шт.

14

S035-082032

BOLT-W/WASHER

#0064

4шт.

14

S035-082036

BOLT-W/WASHER

#0065

4шт.

15

S037-103052

BOLT-W/WASHER

#0064

4шт.

15

S037-103056

BOLT-W/WASHER

#0065

4шт.

16

S441-100002

WASHER-HARDENED

#0064

8шт.

16

S441-100006

WASHER-HARDENED

#0065

8шт.

17

S205-101002

NUT-HEX

#0064

16шт.

17

S205-101006

NUT-HEX

#0065

16шт.

18

11LD-40111

HOSE-AIR CLEANER

#0029

1шт.

18

11LD-40112

HOSE-AIR CLEANER

#0030

1шт.

19

11LD-40121

PIPE

1шт.

20

11LB-40320

CLAMP-HOSE

#0092

1шт.

Выбрано товаров: 39