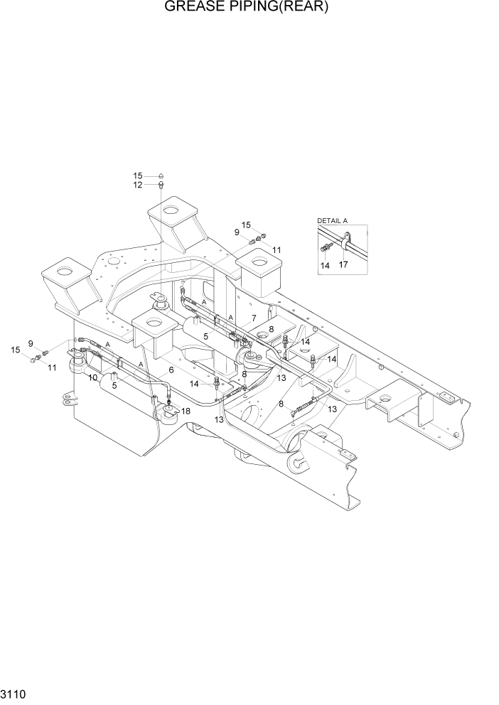
Запчасти Hyundai HL757TM7A PAGE 3110 GREASE PIPING(REAR) ГИДРАВЛИЧЕСКАЯ СИСТЕМА

Схема запчастей Hyundai HL757TM7A - PAGE 3110 GREASE PIPING(REAR) ГИДРАВЛИЧЕСКАЯ СИСТЕМА
FIT
1:1
100%

Артикул

Название

Примечание

Количество

5

P420-042017

HOSE ASSY-COMP 0X90

#0055

2шт.

5

P860-042017

HOSE ASSY-SYN 0X90

#0056

2шт.

6

P420-042032

HOSE ASSY-COMP 0X90

#0055

1шт.

6

P860-042032

HOSE ASSY-SYN 0X90

#0056

1шт.

7

P420-042041

HOSE ASSY-COMP 0X90

#0055

1шт.

7

P860-042041

HOSE ASSY-SYN 0X90

#0056

1шт.

8

61L1-3909

ELBOW-90

2шт.

9

31LB-50020

CONNECTOR

4шт.

10

S552-050203

CLAMP-BAND

14шт.

11

S651-810002

NIPPLE-GREASE

5шт.

12

S653-810002

NIPPLE-GREASE

2шт.

13

S543-140002

CLAMP-TUBE

3шт.

14

S035-081526

BOLT-W/WASHER

7шт.

15

S654-000000

CAP-GREASE NIPPLE

8шт.

17

31L7-50010

CLAMP

4шт.

18

P010-430011

CONNECTOR

1шт.

Выбрано товаров: 16