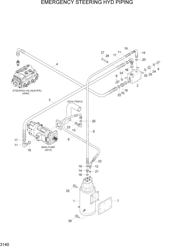
Запчасти Hyundai HL757TM7A PAGE 3140 EMERGENCY STEERING HYD PIPING ГИДРАВЛИЧЕСКАЯ СИСТЕМА

Схема запчастей Hyundai HL757TM7A - PAGE 3140 EMERGENCY STEERING HYD PIPING ГИДРАВЛИЧЕСКАЯ СИСТЕМА
FIT
1:1
100%

Артикул

Название

Примечание

Количество

*

90LD-92000

EMER STEERING KIT

1шт.

1

31L6-02150

MOTOR PUMP ASSY

1шт.

2

31L6-02201

CHECK VALVE

1шт.

3

P920-164022

HOSE ASSY-ORFS 0X45

#0042

1шт.

3

P920-164019

p920-164019

#0043

1шт.

4

P930-124020

HOSE ASSY-ORFS 0X90

#0042

1шт.

4

P930-124017

HOSE ASSY-ORFS 0X90

#0043

1шт.

5

P910-084030

HOSE ASSY-ORFS 0X0

#0042

1шт.

5

P910-084027

HOSE ASSY-ORFS 0X0

#0043

1шт.

6

P920-122014

HOSE ASSY-ORFS 0X45

1шт.

7

31LC-90270

PLATE

1шт.

8

34L3-01600

SWITCH-PRESSURE

STEERING PUMP

1шт.

9

31L7-41030

SWITCH-PRESSURE

E/STEERING PUMP #0021

1шт.

9

31Q4-40560

SWITCH-PRESSURE

E/STEERING PUMP #0022

1шт.

10

31LC-90290

CONNECTOR

1шт.

11

X520-110005

ELBOW-90,ORFS

2шт.

12

31LC-90280

ELBOW-45

1шт.

13

X520-110004

ELBOW-90,ORFS

1шт.

14

31S8-20160

CONNECTOR

1шт.

15

31LB-90200

CONNECTOR-ORFS

1шт.

16

S631-029004

O-RING

3шт.

17

S621-021001

O-RING

2шт.

18

S611-019001

O-RING

1шт.

19

S621-014001

O-RING

2шт.

20

S631-018004

O-RING

1шт.

21

S611-023001

O-RING

1шт.

22

S621-018001

O-RING

3шт.

23

S631-024004

O-RING

1шт.

24

P392-120000

WASHER-COPPER

2шт.

25

S037-101556

BOLT-W/WASHER

4шт.

26

S037-123056

BOLT-W/WASHER

3шт.

27

S017-100756

BOLT-HEX

2шт.

28

S441-100006

WASHER-HARDENED

2шт.

29

31LG-40050

ADAPTER

1шт.

30

S631-011004

O-RING

1шт.

31

@

EMER STEERING ELEC

NOT

1шт.

Выбрано товаров: 36