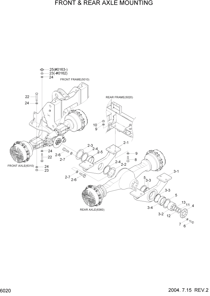
Запчасти Hyundai HL760-7 PAGE 6020 FRONT & REAR AXLE MOUNTING СИЛОВАЯ СИСТЕМА

Схема запчастей Hyundai HL760-7 - PAGE 6020 FRONT & REAR AXLE MOUNTING СИЛОВАЯ СИСТЕМА
FIT
1:1
100%

Артикул

Название

Примечание

Количество

2

81LC-20030

SUPPORT ASSY-FRONT

#0001

1шт.

2-1

81LC-20040

SUPPORT WA-FRONT

#0001

1шт.

2-2

81L1-32170

COVER

1шт.

2-3

81L1-20261

COVER

1шт.

2-4

S700-190508

DUST SEAL-DKIY TYPE

2шт.

2-5

84L1-00680

BUSHING

1шт.

2-6

S018-100202

BOLT-HEX

12шт.

2-7

S441-100002

WASHER-HARDENED

12шт.

3

81LB-20030

SUPPORT ASSY-REAR

#0129

1шт.

3

81LB-20031

SUPPORT ASSY-REAR

#0130

1шт.

3-1

81LB-20050

SUPPORT WA-REAR

#0129

1шт.

3-1

81LB-20051

SUPPORT WA-REAR

#0130

1шт.

3-2

81L1-32101

SHAFT

1шт.

3-3

S700-190508

DUST SEAL-DKIY TYPE

2шт.

3-4

84L1-00680

BUSHING

1шт.

4

81L1-3209

COVER

#0129

1шт.

4

81L1-32091

COVER

#0130

1шт.

5

81L1-3211

DISC

#0129

2шт.

5

81LB-20060

DISC

#0130

2шт.

6

S018-161502

BOLT-HEX

#0129

8шт.

6

S018-161452

BOLT-HEX

#0130

8шт.

7

S441-160002

WASHER-HARDENED

8шт.

8

S018-361202

BOLT-HEX

8шт.

9

S441-360002

WASHER-HARDENED

16шт.

10

S206-361002

NUT-HEX

8шт.

11

81L1-3214

SHIM(1.0T)

#0129

1шт.

12

81L1-3215

SHIM(0.5T)

#0129

2шт.

13

81L1-3216

SHIM(0.2T)

#0129

2шт.

22

S018-242202

BOLT-HEX

8шт.

23

S206-241002

NUT-HEX

#0162

8шт.

23

S206-241002

NUT-HEX

#0163

4шт.

24

S441-240002

WASHER-HARDENED

16шт.

25

81LC-10030

NUT-SQUARE

#0163

4шт.

Выбрано товаров: 33