Запчасти Hyundai HL760-7 PAGE 6120 GEARBOX HOUSING 2 СИЛОВАЯ СИСТЕМА

Схема запчастей Hyundai HL760-7 - PAGE 6120 GEARBOX HOUSING 2 СИЛОВАЯ СИСТЕМА
FIT
1:1
100%

Артикул

Название

Примечание

Количество

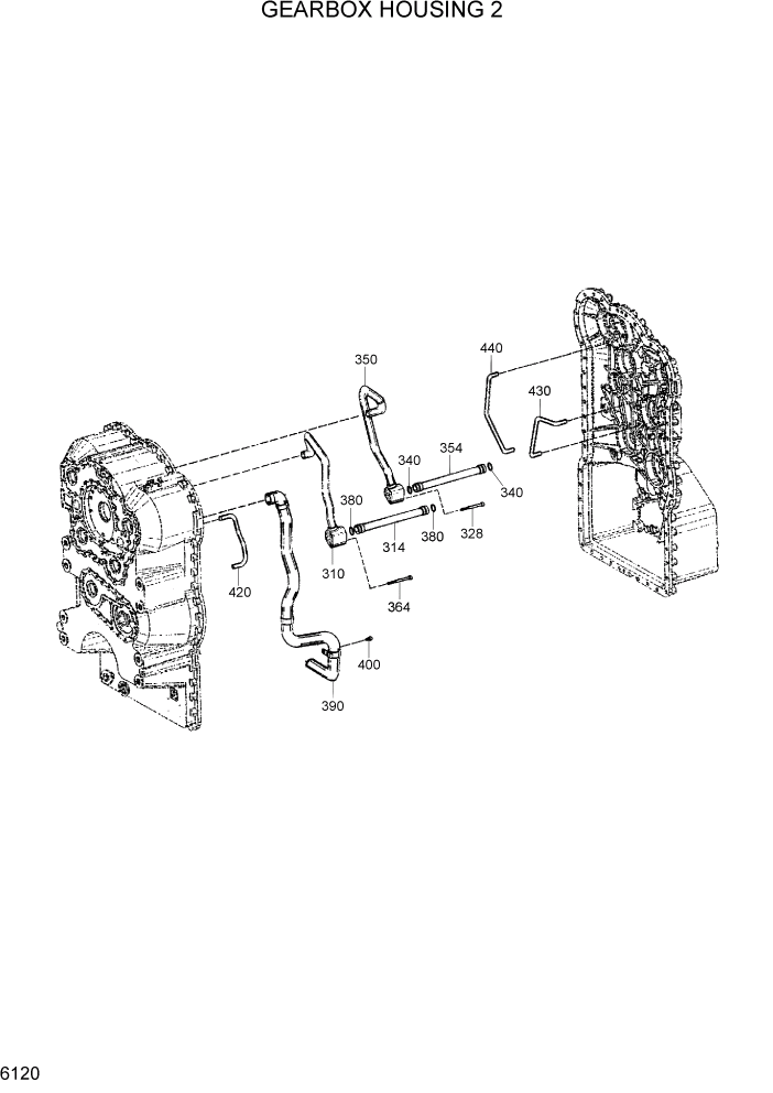
310

ZGAQ-00801

SCREW-CAP

0501-211-183

1шт.

314

ZGAQ-00802

PIPE

4657-301-044

1шт.

328

ZGAQ-00803

SCREW-CAP

0636-101-602

1шт.

340

ZGAQ-00804

O-RING

0634-313-779

2шт.

350

ZGAQ-00805

PIPE

0501-211-184

1шт.

354

ZGAQ-00802

PIPE

4657-301-044

1шт.

364

ZGAQ-00803

SCREW-CAP

0636-101-602

1шт.

380

ZGAQ-00804

O-RING

0634-313-779

2шт.

390

ZGAQ-00806

TUBE-SUCTION

0501-210-903

1шт.

400

ZGAQ-00787

SCREW-CAP

0636-101-644

1шт.

420

ZGAQ-00807

PIPE

0501-316-056

1шт.

430

ZGAQ-00808

PIPE

0501-316-057

1шт.

440

ZGAQ-00809

PIPE

0501-316-058

1шт.

Выбрано товаров: 13